EasyManua.ls Logo

Batca omega 4 - Page 29

Batca omega 4
46 pages
Print Icon
To Next Page IconTo Next Page
To Next Page IconTo Next Page
To Previous Page IconTo Previous Page
To Previous Page IconTo Previous Page
Loading...
www.batcafitness.com 29 Omega 4 Owners Manual
Item # Part # Description Qty
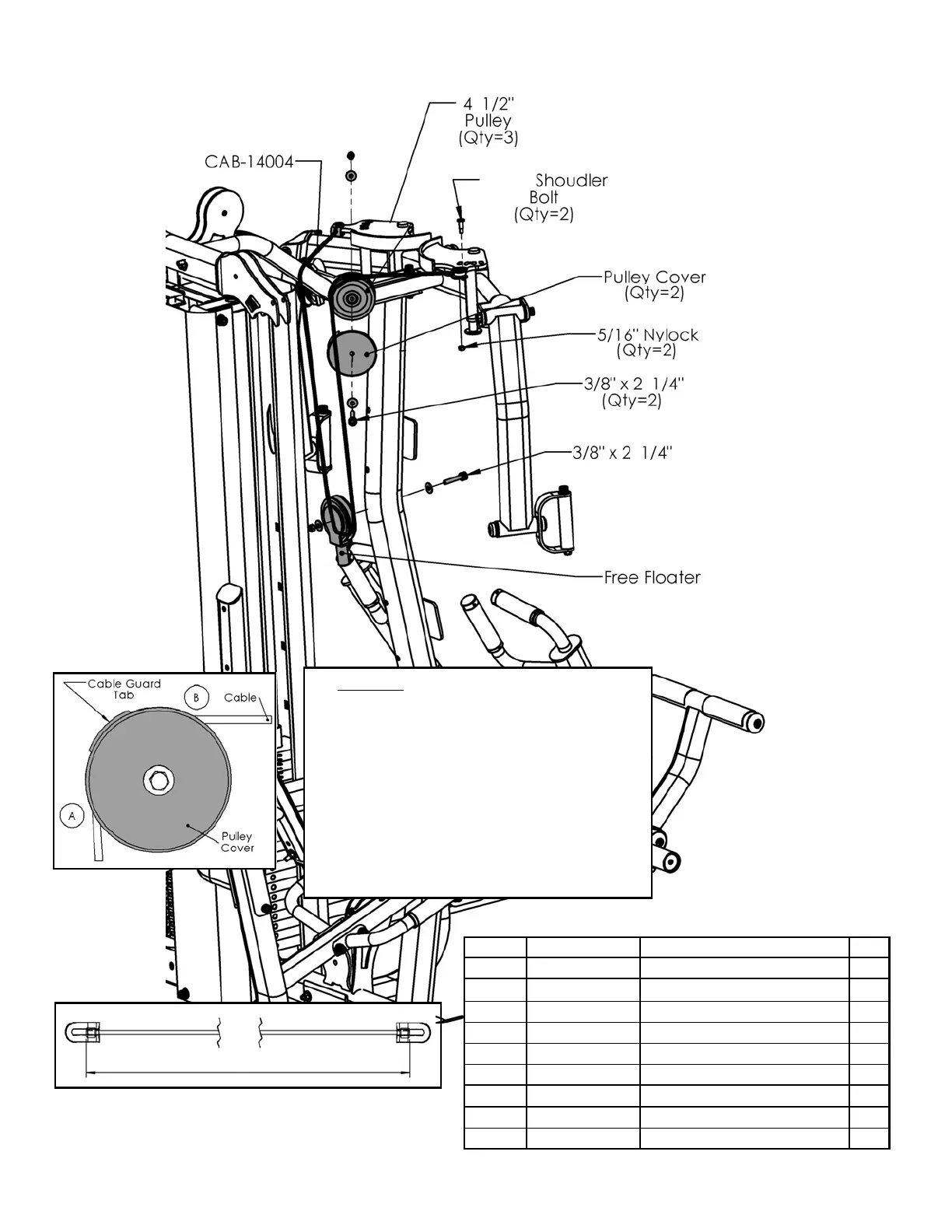
122 CAB-14004 Pec Cam to Free Floater 1
66 BFM-50345 Pulley Cover 2
67 BFP-10838 Free Floater 1
76 BFH50174 4 1/2” Pulley 3
94 BFH-50351 1 3/8” Shoulder Bolt 2
98 BFP-51752 SHCS 3/8” x 2 1/4” 3
108 BFH-50267 5/16” Nylock 2
111 BFH-50146 3/8” Flat Washer 6
112 BFH-50157 3/8” Nylock 3
Step 19:
Figure 19
CAB-14004
All Flat Washers and Nylocks are 3/8”
unless otherwise noted.
72 13/16”
Position the cable guard tab on the
Pulley Cover so that the tab prevents
the cable from coming out of it’s track
on the 4 1/2” Pulley. An example of this
positioning can be seen in the figure to
the left. The cable guard tab should be
positioned so that it is in the middle of
the cable wrap on the 4 1/2” Pulley,
between points “A” and “B”. This will
allow better protection and prevent
the cable from rubbing the cable guard
tab.
1 3/8”