EasyManua.ls Logo

Baxi SPC Split 150 WH - Electrical Diagram of the Outdoor Unit

Baxi SPC Split 150 WH
60 pages
Print Icon
To Next Page IconTo Next Page
To Next Page IconTo Next Page
To Previous Page IconTo Previous Page
To Previous Page IconTo Previous Page
Loading...
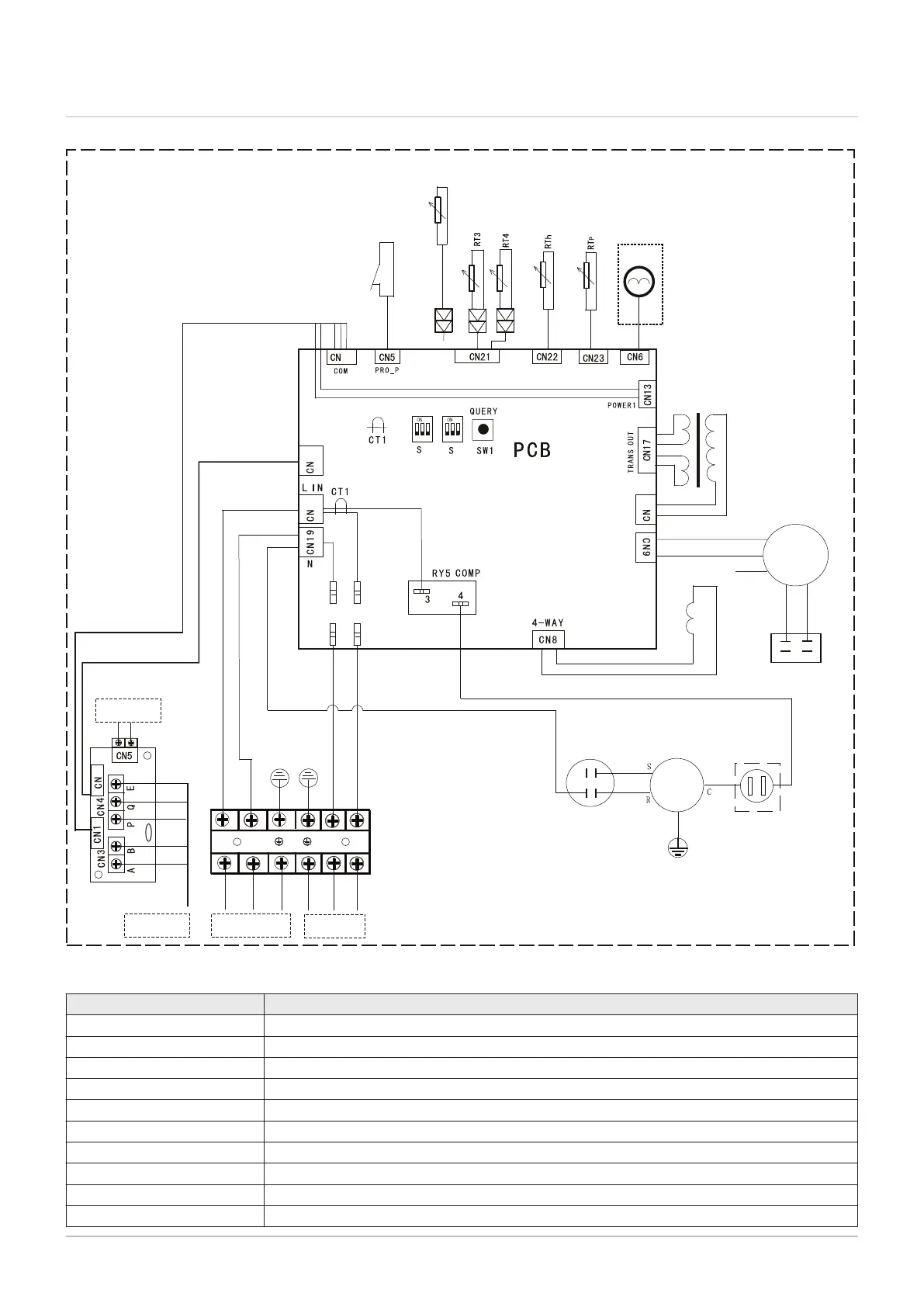
3.4 Electrical diagram of the outdoor unit
Fig.5
MW-4000107-3
Power supply
FA N
White
HIGH SPEED
LOW SPEED
TR
4-WAY VALVE
Ye
llow/Green
HL
HN
N
L
EEV
1
Black
White
B
Red
Red
Y
e
l
l
ow
B
rown
Blue
Blue
Blue
CAP1
Re
d
Blac
k
W
hi
te
Blue
Black
White
Blue
Compressor
capacitor
COMP
Red
Yellow/Green
Compressor outside
overload protection
Red
White
Red
Brown
Black
Yellow
White
Y
e
llow
/Gre
en
LCD
R
T5
L
E-heater
Black
2
3
1
2
3
1
2
20
14
14
Yellow
Red
01
2
Off Peak
-
CN11
CN15
CN10
CN16
HN-in
HL-in
HNHL
Off Peak
2
Red
Tab.15 Key
Connector Description
PCB Control system PCB
LCD Control panel
Power 1 Control panel power supply
TR Transformer
TRANS OUT Transformer outlet
TRANS IN Transformer inlet
EEV Electronic expansion valve
FAN Fan
CAP1 Fan capacitor
Compressor Compressor
3 Technical specifications
16 7740327 - v03 - 03122019

Table of Contents

Related product manuals