EasyManua.ls Logo

BBK DV118SI - Audio Circuit; Power Circuit

BBK DV118SI
43 pages
Print Icon
To Next Page IconTo Next Page
To Next Page IconTo Next Page
To Previous Page IconTo Previous Page
To Previous Page IconTo Previous Page
Loading...
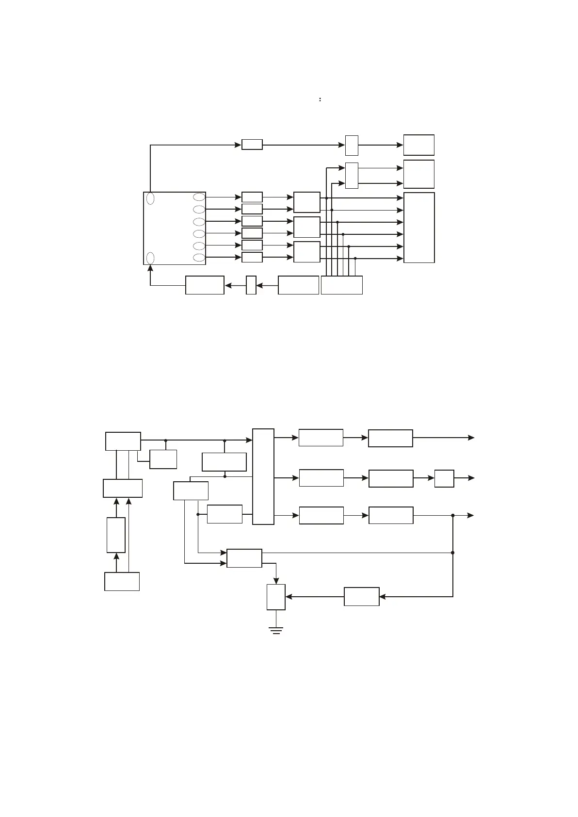
4.4 Audio Circuit
Block diagram for audio circuit is shown in figure 4.4.1
Figure 4.4.1 Block diagram of audio circuit
MT1389
118
116
119
115
120
114
Mute circuit
FL
FR
SL
SR
CC
LFE
Audio
terminal
JK2
ASPDIF
SPDIF
Filter
Circuit
MIC Board
OKA
MIC_IN1
OPTICAL
108
X
S9
SCRAT
XS7
AL
AR
ALS
ARS
ALF
ARF
OKA
92
4558
U6
4558
U7
4558
U8
C71
C81
C79
C77
C75
C73
AL
AR
ALS
ARS
ALF
ARF
X
S8
R68
IEC958
4.5 Power Circuit
1.Block diagram of power circuit is shown in figure 4.5.1.
Figure 4.5.1 Block diagram of power circuit
T
r
a
n
s
f
o
r
m
e
r
Rectify
Absorb loop
Electric net
filter
In
s
urance
t
ub
e
Power
socket
Switch IC
Feedback
winding
Opto
-coupler
LM
431A
Sample
circuit
Rectify
Filter
+10V
+5V
Rectify
Filter
TNY275PN
Filter
HOST GND
Rectify
Filter
-9V
Q501
+9V
- 19 -

Table of Contents

Related product manuals