EasyManua.ls Logo

BBK DV118SI - OK Board (DV214&216 SI-MIC.PCB)

BBK DV118SI
43 pages
Print Icon
To Next Page IconTo Next Page
To Next Page IconTo Next Page
To Previous Page IconTo Previous Page
To Previous Page IconTo Previous Page
Loading...
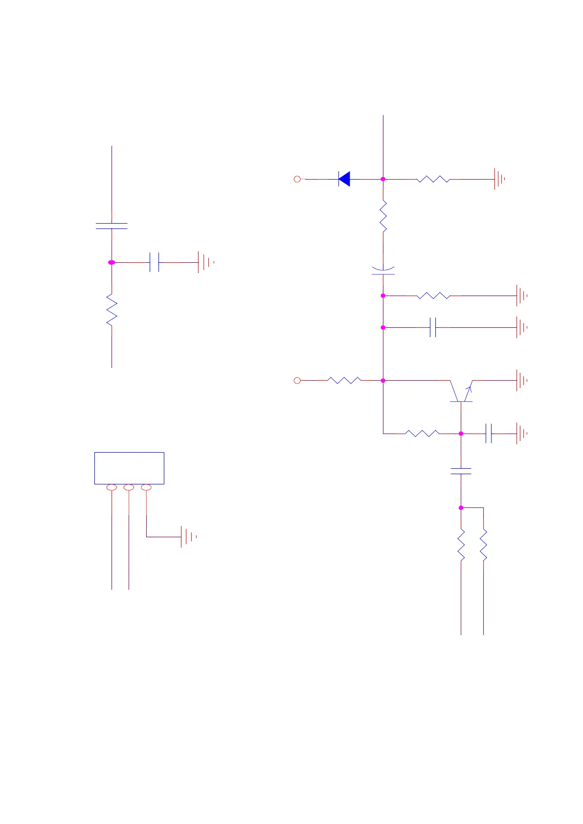
8.5 OK Board (6DV51 1SI-2)4940956
- 37 -
MIC
MIC2
MIC1
DV33+12V
+
C165 1u
C167
100p
R157
1k
R154 0
R153
NC
D9
1N4148
R156 1k
R155 1k
R158
1.2K
Q26
2N3904
1
3 2
C166
100p
R159
33k
C168 1u
AKIN1MIC
MIC1
MIC2
C138 0.1uF
R112 100
CN11
3P,2mm
1
2
3
C142
3300pF

Table of Contents

Related product manuals