EasyManua.ls Logo

Becker AR 4201 - Interwiring of the VHF Transceiver with Dynamic Mike

Becker AR 4201
49 pages
Print Icon
To Next Page IconTo Next Page
To Next Page IconTo Next Page
To Previous Page IconTo Previous Page
To Previous Page IconTo Previous Page
Loading...
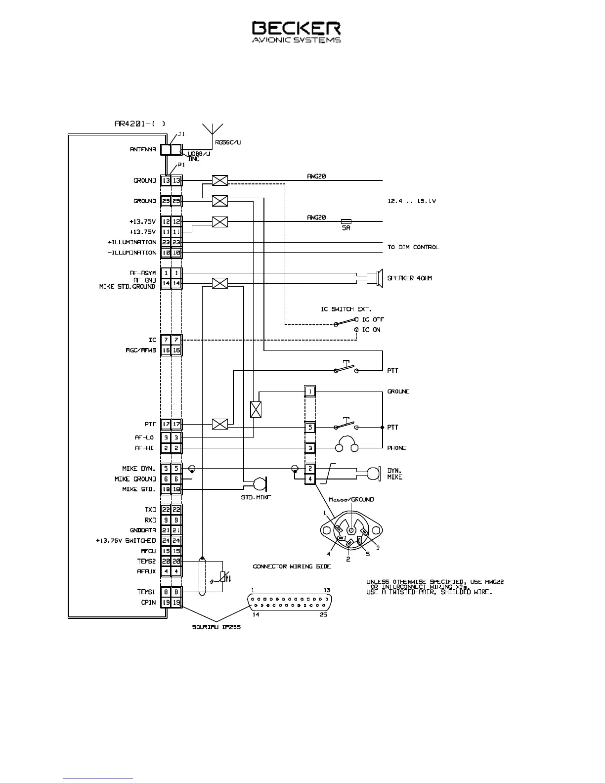
Fig. 2-4 Interwiring of the VHF transceiver with dynamic mike
INSTALLATION AND OPERATION
AR 4201 - ( )
Page 2-6
23-10-01 December 15/95

Table of Contents

Other manuals for Becker AR 4201

Related product manuals