EasyManua.ls Logo

BendPak HD-9 - Page 34

BendPak HD-9
92 pages
Print Icon
To Next Page IconTo Next Page
To Next Page IconTo Next Page
To Previous Page IconTo Previous Page
To Previous Page IconTo Previous Page
Loading...
HD-9 Series Four-Post Lifts 34 P/N 5900123 — Rev. M — February 2020
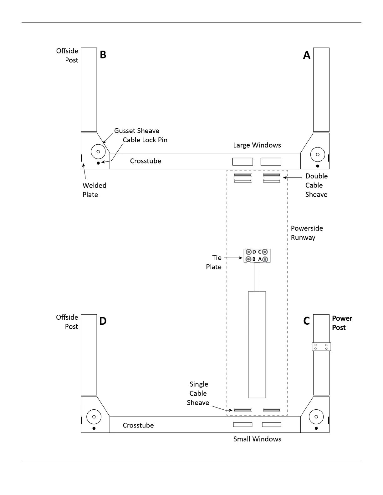
The following drawing shows the components involved in routing the Lifting Cables.

Other manuals for BendPak HD-9

Related product manuals