EasyManua.ls Logo

BendPak HD-9 - Wiring Diagrams

BendPak HD-9
92 pages
Print Icon
To Next Page IconTo Next Page
To Next Page IconTo Next Page
To Previous Page IconTo Previous Page
To Previous Page IconTo Previous Page
Loading...
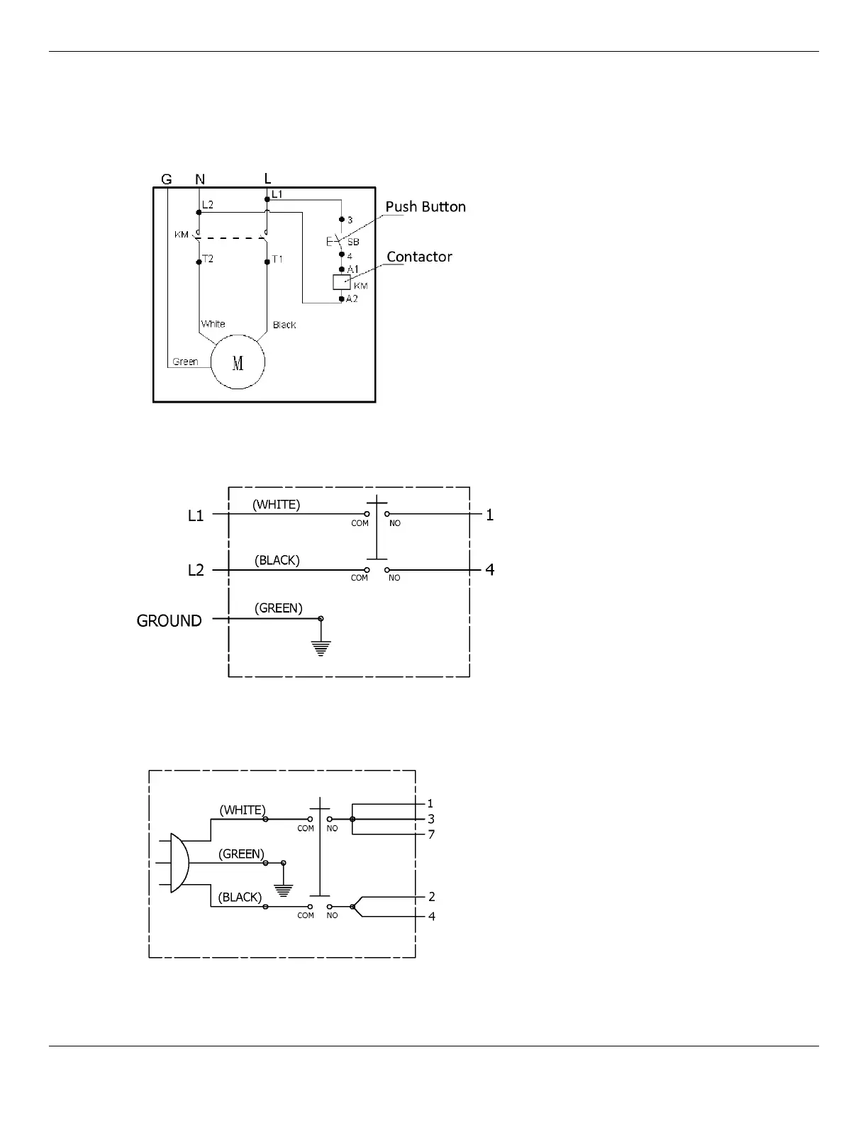
HD-9 Series Four-Post Lifts 74 P/N 5900123 — Rev. M — February 2020
Wiring Diagrams
5585280
(208-230 VAC, single phase)
5585079
(208-230 VAC, single phase)
5585178
(110 VAC)

Other manuals for BendPak HD-9

Related product manuals