EasyManua.ls Logo

BendPak HD-9 - Page 75

BendPak HD-9
92 pages
Print Icon
To Next Page IconTo Next Page
To Next Page IconTo Next Page
To Previous Page IconTo Previous Page
To Previous Page IconTo Previous Page
Loading...
HD-9 Series Four-Post Lifts 75 P/N 5900123 — Rev. M — February 2020
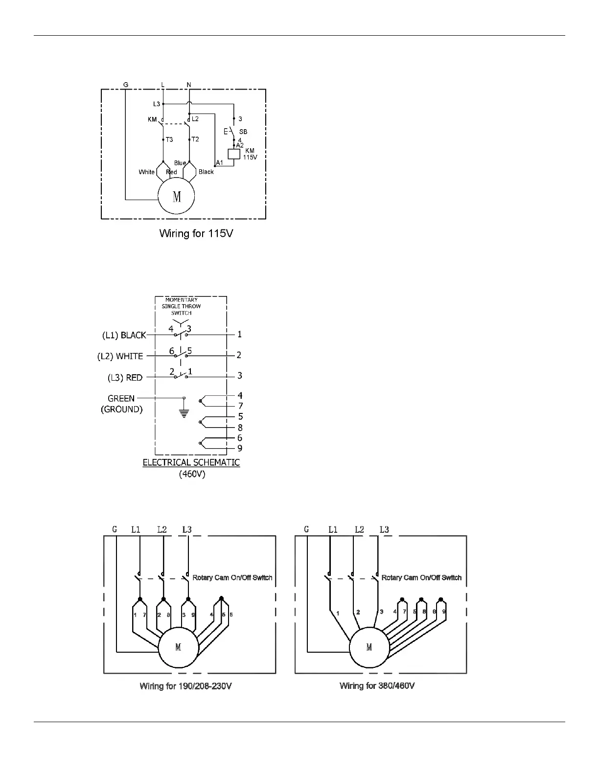
5585014
(110 VAC)
5585177
(Select VAC, three phase)
5585247
(Select VAC, three phase)

Other manuals for BendPak HD-9

Related product manuals