EasyManua.ls Logo

BendPak HD-973PX - Page 63

BendPak HD-973PX
112 pages
Print Icon
To Next Page IconTo Next Page
To Next Page IconTo Next Page
To Previous Page IconTo Previous Page
To Previous Page IconTo Previous Page
Loading...
HD-973P Series Multi-Level Parking Lift 63 P/N 5900076Rev. B3 — January 2024
Anchoring the Posts
All four Lift Posts must be anchored. Install one Anchor Bolt in each corner of each Base Plate, 4 per
Post, 16 Anchor Bolts total.
Concrete specifications are:
Depth: 6.5 inches thick
PSI: 3,000 PSI, minimum
Cured: 28 days, minimum
Anchor Bolt specifications are:
Length: 6.3 inches
Diameter: .75 inch
Anchor torque: 85 95 pound feet
WARNING Your Concrete and Anchor Bolts must meet these specifications. Only install your
Lift on a Concrete surface. If you install a Lift on asphalt or any other surface, or
your Concrete or Anchor Bolts do not meet these specifications, it could lead to
product damage, Vehicle damage, personal injury, or even death.
BendPak Lifts are supplied with installation instructions and concrete fasteners meeting the criteria as
prescribed by the American National Standard “Automotive Lifts Safety Requirements for
Construction, Testing, and Validation” ANSI/ALI ALCTV.
WARNING Use only the Anchor Bolts that came with your Lift. If you use components from a
different source, you void your warranty and compromise the safety of everyone
who installs or operates the Lift.
Lift buyers are responsible for conforming to all regional, structural, and seismic anchoring
requirements specified by any other agencies and/or codes, such as the Uniform Building Code and/or
International Building Code.
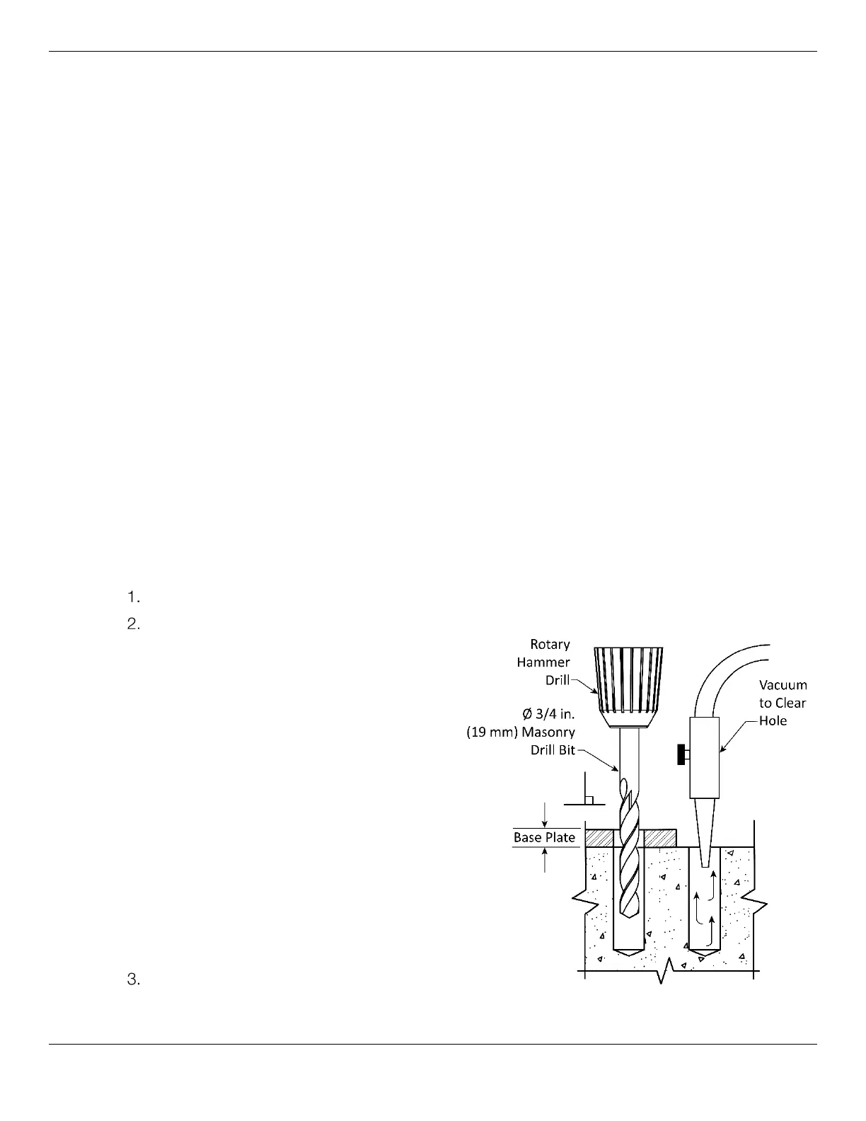
To anchor the Posts:
Locate the hardware you will need: four Anchor Bolts, four Nuts, and four washers per Post.
Using the Base Plates as guides, drill the holes 4 ½ inches deepone hole in each corner of
the Base Plate, so four holes total per Base
Plate.
Important: Do not drill all the way
through the concrete; if you
punch completely through the
slab, you compromise the
holding strength of the Anchor
Bolt once put into place.
Drill in straight, in the center of the hole; do not
let the drill wobble.
Use a masonry drill bit (conforming to ANSI
B212.15).
The diameter of the drill bit must be the same as
the diameter of the Anchor Bolt. If you are using
a ¾ inch diameter Anchor Bolt, for example, use
a ¾ inch diameter drill bit.
Vacuum each hole clean.

Related product manuals