EasyManua.ls Logo

BendPak HD-9ST - Page 54

BendPak HD-9ST
92 pages
Print Icon
To Next Page IconTo Next Page
To Next Page IconTo Next Page
To Previous Page IconTo Previous Page
To Previous Page IconTo Previous Page
Loading...
HD-9 Series Four-Post Lifts 54 P/N 5900123Rev. M February 2020
Connecting the Power Source
The standard Power Unit for your Lift is 220 VAC, 60 Hz, single phase. The Power Unit must be
connected to an appropriate power source.
Refer to Wiring Diagrams for wiring information.
DANGER All wiring
must
be performed by a licensed, certified Electrician. Do not perform
any maintenance or installation on the Lift without first making sure that main
electrical power has been disconnected from the Lift and
cannot
be re-energized
until all procedures are complete. If your organization has Lockout/Tagout policies,
make sure to implement them after connecting to a power source.
Important electrical information:
Improper electrical installation can damage the motor; this is not covered under warranty.
Use a separate circuit breaker for each Power Unit.
Protect each circuit with a time-delay fuse or circuit breaker. For a 220 VAC, single phase circuit,
use a 25 amp or greater fuse.
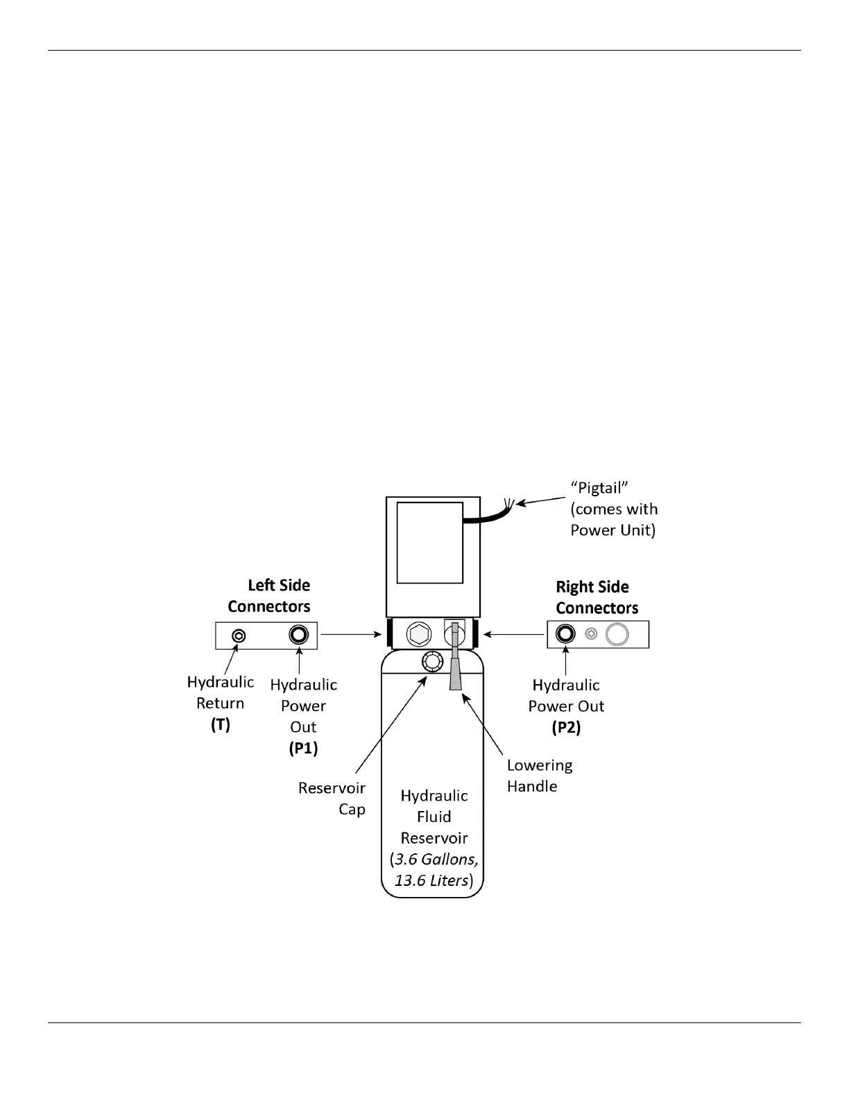
The Hydraulic Power Ports are usually labeled P1/P2 on the Power Unit; the Hydraulic Return Ports
are commonly labeled T1/T2 or CV1/CV2.
The following drawing shows the standard configuration for the Power Unit.
Not drawn to scale. Not all components shown.

Other manuals for BendPak HD-9ST

Related product manuals