EasyManua.ls Logo

BendPak HD-9ST - Page 75

BendPak HD-9ST
92 pages
Print Icon
To Next Page IconTo Next Page
To Next Page IconTo Next Page
To Previous Page IconTo Previous Page
To Previous Page IconTo Previous Page
Loading...
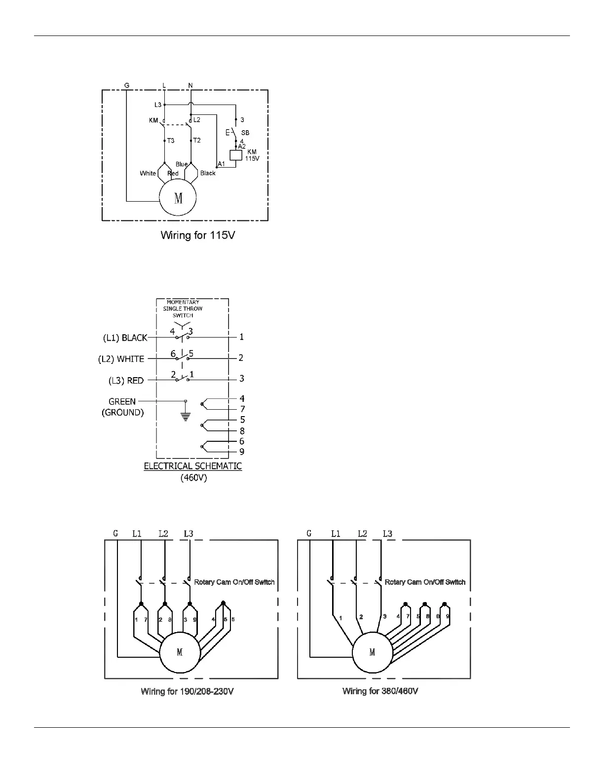
HD-9 Series Four-Post Lifts 75 P/N 5900123 — Rev. M — February 2020
5585014
(110 VAC)
5585177
(Select VAC, three phase)
5585247
(Select VAC, three phase)

Other manuals for BendPak HD-9ST

Related product manuals