EasyManua.ls Logo

BendPak HD-9XW - Page 34

BendPak HD-9XW
92 pages
Print Icon
To Next Page IconTo Next Page
To Next Page IconTo Next Page
To Previous Page IconTo Previous Page
To Previous Page IconTo Previous Page
Loading...
HD-9 Series Four-Post Lifts 34 P/N 5900123 — Rev. M — February 2020
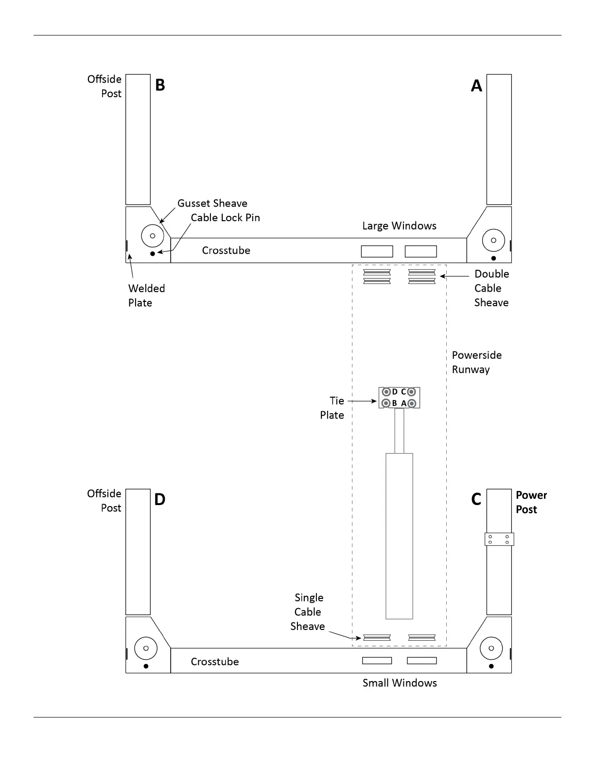
The following drawing shows the components involved in routing the Lifting Cables.

Other manuals for BendPak HD-9XW

Related product manuals