EasyManua.ls Logo

BendPak HD-9XW - Wiring Diagrams; Electrical Wiring Diagrams

BendPak HD-9XW
92 pages
Print Icon
To Next Page IconTo Next Page
To Next Page IconTo Next Page
To Previous Page IconTo Previous Page
To Previous Page IconTo Previous Page
Loading...
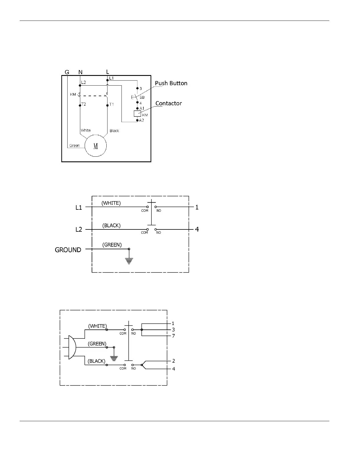
HD-9 Series Four-Post Lifts 74 P/N 5900123 — Rev. M — February 2020
Wiring Diagrams
5585280
(208-230 VAC, single phase)
5585079
(208-230 VAC, single phase)
5585178
(110 VAC)

Other manuals for BendPak HD-9XW

Related product manuals