EasyManua.ls Logo

BendPak RBJ4500 - Page 41

BendPak RBJ4500
57 pages
Print Icon
To Next Page IconTo Next Page
To Next Page IconTo Next Page
To Previous Page IconTo Previous Page
To Previous Page IconTo Previous Page
Loading...
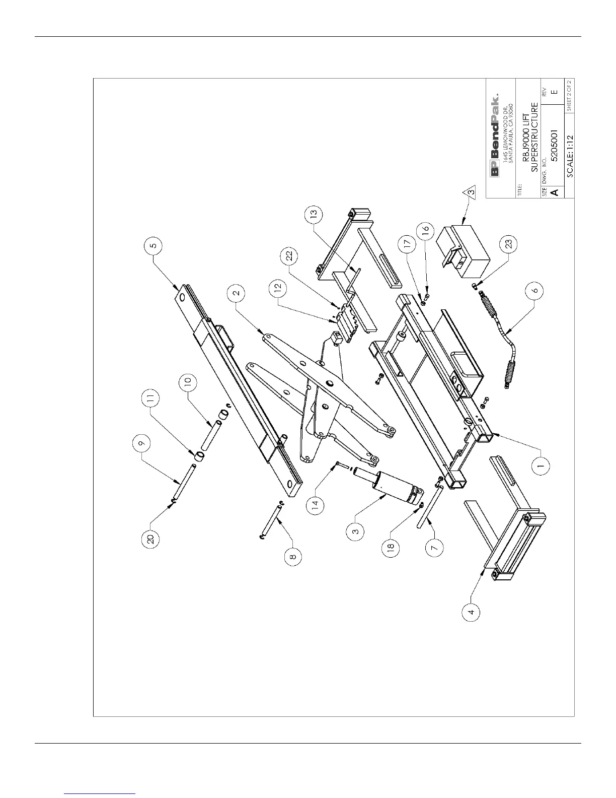
RBJ Series of Rolling Bridge Jacks 41 P/N 5900004 — June 2018 Rev. C2
Model RBJ9000

Related product manuals