EasyManua.ls Logo

Bennett 3712 - Current Loop; RS485 Communication Remote Pumps with 210;531 Electronics Wiring Diagram

Default Icon
90 pages
Print Icon
To Next Page IconTo Next Page
To Next Page IconTo Next Page
To Previous Page IconTo Previous Page
To Previous Page IconTo Previous Page
Loading...
78
120001 Rev K 1-19-18
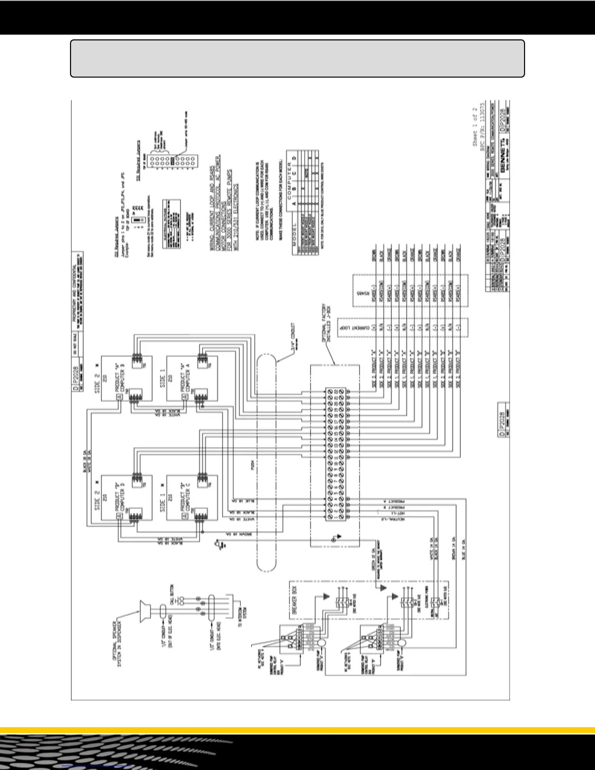
Current Loop / RS485 Communication
Remote Pumps with 210/531 Electronics Wiring Diagram
Note: Drawing schematic P2028 (Part Number 113075) can be found on the USB provided.

Table of Contents

Other manuals for Bennett 3712

Related product manuals