EasyManua.ls Logo

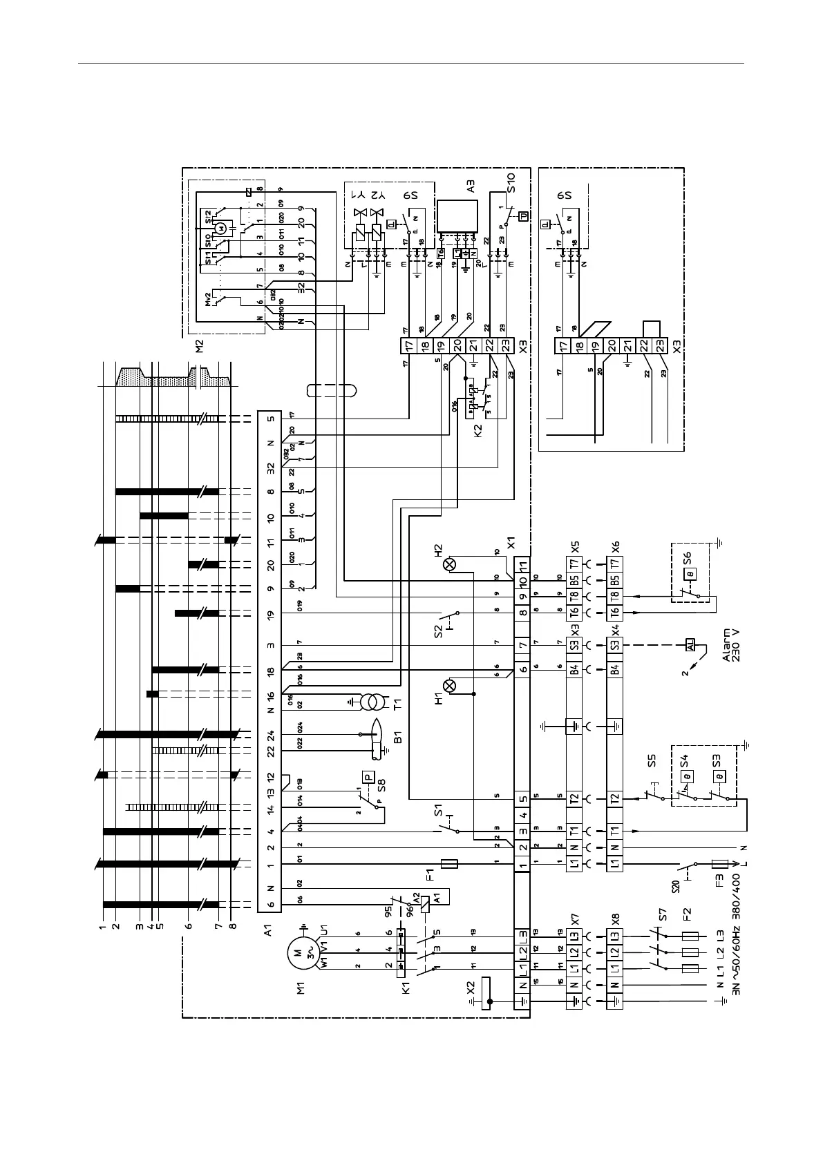
Bentone BG600 - Wiring Diagram LFL1

Bentone BG600
58 pages
Print Icon
To Next Page IconTo Next Page
To Next Page IconTo Next Page
To Previous Page IconTo Previous Page
To Previous Page IconTo Previous Page
Loading...
24
172 435 78 04-01
ELECTRIC EQUIPMENT
Wiring diagram LFL1... (BG550/BG650) 2-Stage
1(2)
DAMPER POSITION
Design without A3
Design without S10

Table of Contents

Related product manuals