EasyManua.ls Logo

Bentone BG600 - Wiring diagram LFL1... (BG550;BG550 LN;BG650) Modulating

Bentone BG600
58 pages
Print Icon
To Next Page IconTo Next Page
To Next Page IconTo Next Page
To Previous Page IconTo Previous Page
To Previous Page IconTo Previous Page
Loading...
26
172 435 77 04-01
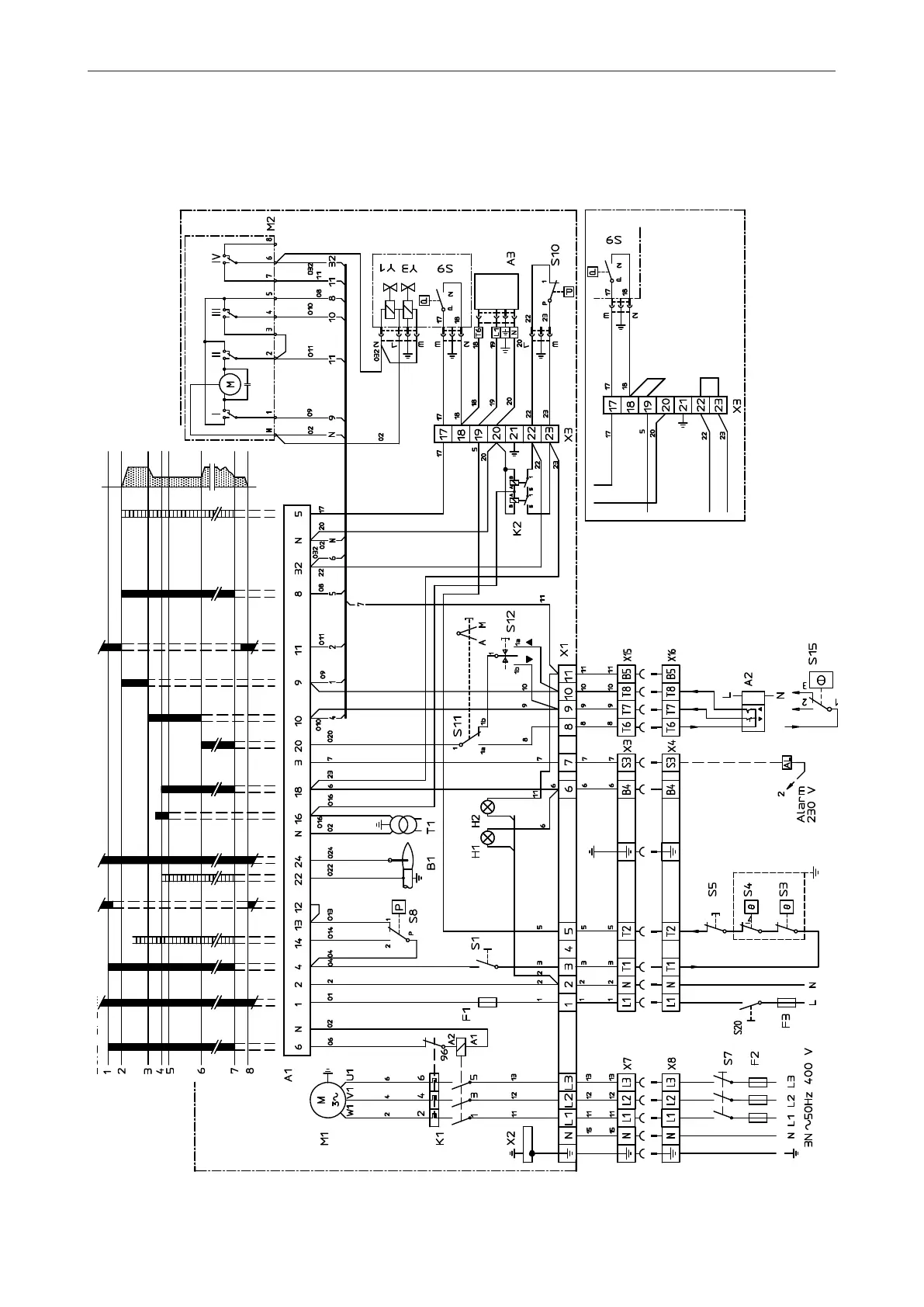
ELECTRIC EQUIPMENT
Wiring diagram LFL1... (BG550/BG550LN/BG650) Modulating
1(2)
Design without A3
Design without S10
DAMPER POSITION

Table of Contents

Related product manuals