EasyManua.ls Logo

BIRO AFMG-24 - Page 17

BIRO AFMG-24
32 pages
Print Icon
To Next Page IconTo Next Page
To Next Page IconTo Next Page
To Previous Page IconTo Previous Page
To Previous Page IconTo Previous Page
Loading...
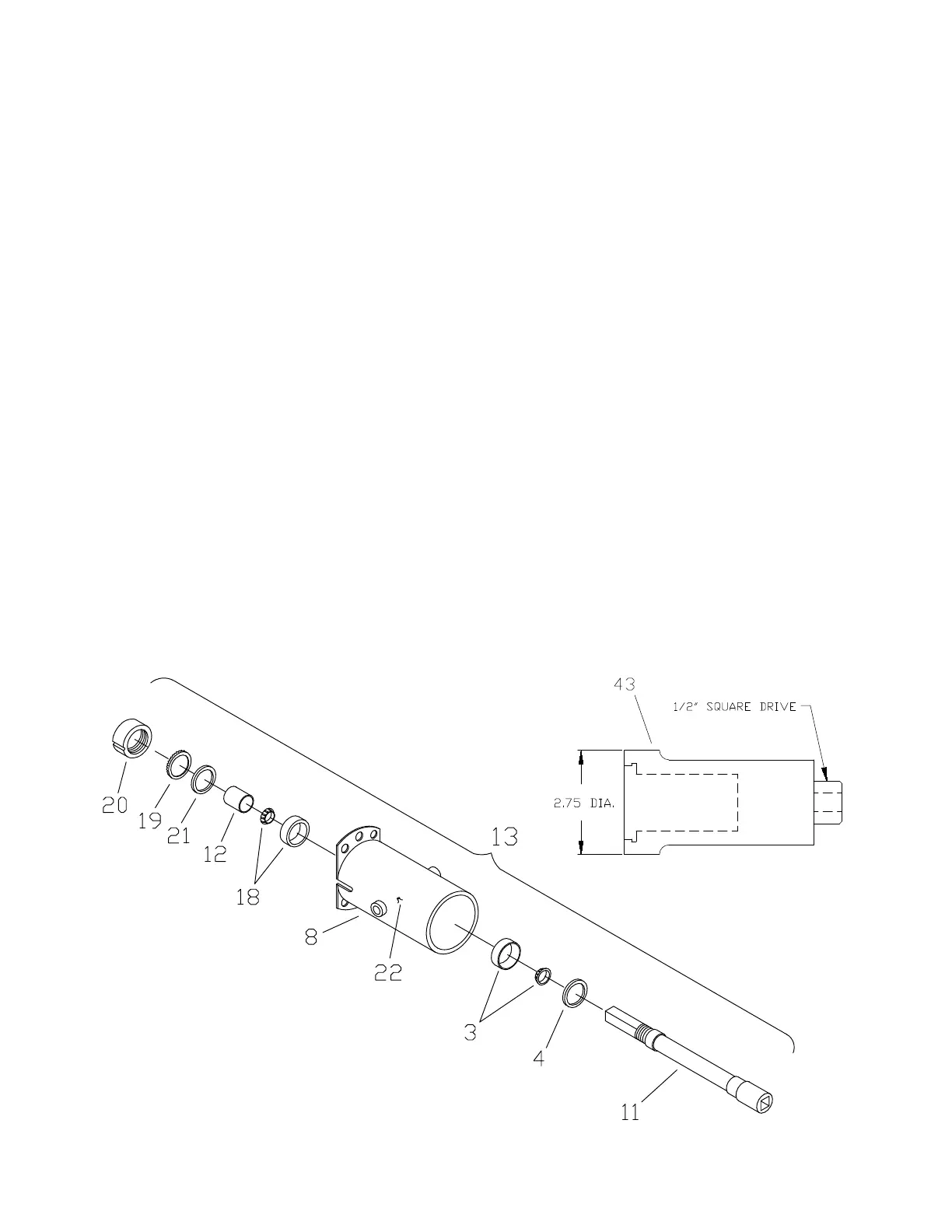
14
DescriptionItem No.
56211-1
Driven clutch engagement bushing
SSB50PS
Shoulder bolt, ⅜-16 x ⅜
H310A
Bearing assembly (journal box, front)
53785
Seal, journal box (front, auger drive)
56036
Driven clutch engagement shaft
56214
Driven clutch engagement lever, LH
56047
Mounting plate for transmission
56063
Journal box housing
Fig.
1
2
3
4
5
6
7
8
9
56064
Driven clutch, square I.D.
10
56065
Driving clutch, transmission output
56066
Auger drive shaft, SS
56068
Spacer, (rear journal box)
56081
Journal box assembly complete
56095
Transmission, grinder, 60Hz, 8:1
56096
Transmission, grinder, 50Hz
56097
Transmission, mixer, 75:1
56276A
Coupling assembly complete
56276
Coupling half
11
12
13
14
15
16
17
17A
17B
56276B
Coupling sleeve
18
56100A
Bearing assembly (journal box rear)
56103
Seal (rear journal box)
H307
Grease tting, vented
56287
Motor 7½HP, 3Ph, 208-230/460V, 60Hz
56286
Motor 5HP, 3Ph, 208-230/460V, 60Hz
56270
Link engage handle
56288
Engage handle lock
53516
Mixer drive shaft pin
21
22
23
24
25
26
28
29
56127-1
Woodruff key
30
56215
Driven clutch engagement lever, RH
HHS061S
Hex head screw, 5/16-18 x 1¼, SS
56169
Driven clutch engagement shaft collar
SSS10Z
Set screw, ¼-20 x ¼
56258
Driven clutch Delrin back up spacer
56188-L
Motor 5HP, 230V-60Hz-1 Ph
56133
Key, 3/16 x 3/16 x 1⅛
56132
Key, ¼ x ¼ x 1½
56259
Motor 5HP, 3Ph, 575V, 60Hz
31
32
33
34
35
36
37
38
39
56260
Motor 7½HP, 3Ph, 575V, 60Hz
40
56283
Motor 7½HP, 3Ph, 220/380/415V, 50Hz
MC-21R2
Groove pin, s/n: 20389 on
53659
Flat washer, s/n: 20405 on
ST73
Lock nut spanner wrench (shop tool)
56351
Transmission brace
HHS126S
Hex head screw, ½-13 x 1¼, SS
LW30S
Lock washer, ½, SS
41
42
43
44
45
46
56101
Castellated lockwasher
56102
Locknut
19
20
DescriptionItem No.Fig.