EasyManua.ls Logo

Bitzer CM-SW-01 - 3.2.2 Discharge temperature; 3.2.3 Oil supply; 3.2.4 Short-cycling warning

Bitzer CM-SW-01
24 pages
Go to English
To Next Page IconTo Next Page
To Next Page IconTo Next Page
To Previous Page IconTo Previous Page
To Previous Page IconTo Previous Page
Loading...
ST-150-18
1 2 3 4
CN1
L N
CN2
K2control
Supply
Supply
K1control
RelayC
RelayNC
CN3
HPS
HPS
CN4
Control1
Control1
CN5
Control2
Control2
CN6
CR+
CR+
CR–
CR–
Vi+
Vi+
Vi–
Vi–
5 6 7 8
CN7
1 2 3 4 1 2
CN9
CN10
1 2 3 4 5 6
CN12
1 2 3 4
CN11
1 2
CN13
1 2 3 4
CN14
24VSup
GND
Signal
GND
PTC
PTC
Signal
GND
Signal
GND
5VSup
Signal
GND
5VSup
Signal
GND
Input
GND
Data+
Data–
Sup In
GND
Srt/Sp-
24V Sup
GND
Signal
GND
Srt/Sp+
INT-
INT+
21 3 4 1 2 1 N 1 N 1 N 3 N 5 N 7 N
CM-SW-01
4321 876
5
13
1211
109
14
15
16
17
18 19 20
21 22
S2
F2
L1
L2
L3
PE
F1
Q1
1
0
K1
10
M3~
F13
8
F17
230V
T1
F3 4A T
PE
S1
01
F13
2
B2
H3
W1
V1
U1
M1
2/2/2
K1
Y11
Y5
Y12
grau/grey/gris
braun/brown/marron
orangerosa
pink
rose
blau/blue/bleu
F7
B6
B7
Modbus
RS485
PE
0 .. 10V
grau/grey/gris
gelb/yellow/jaune
blau/blue/bleu
braun/brown/marron
rosa/pink/rose
grün/green/vert
1 2
CT-1
CT-2
CN8
B5
R2
PE
F5
P>
F16
N1/N3
3~
3~
Y4
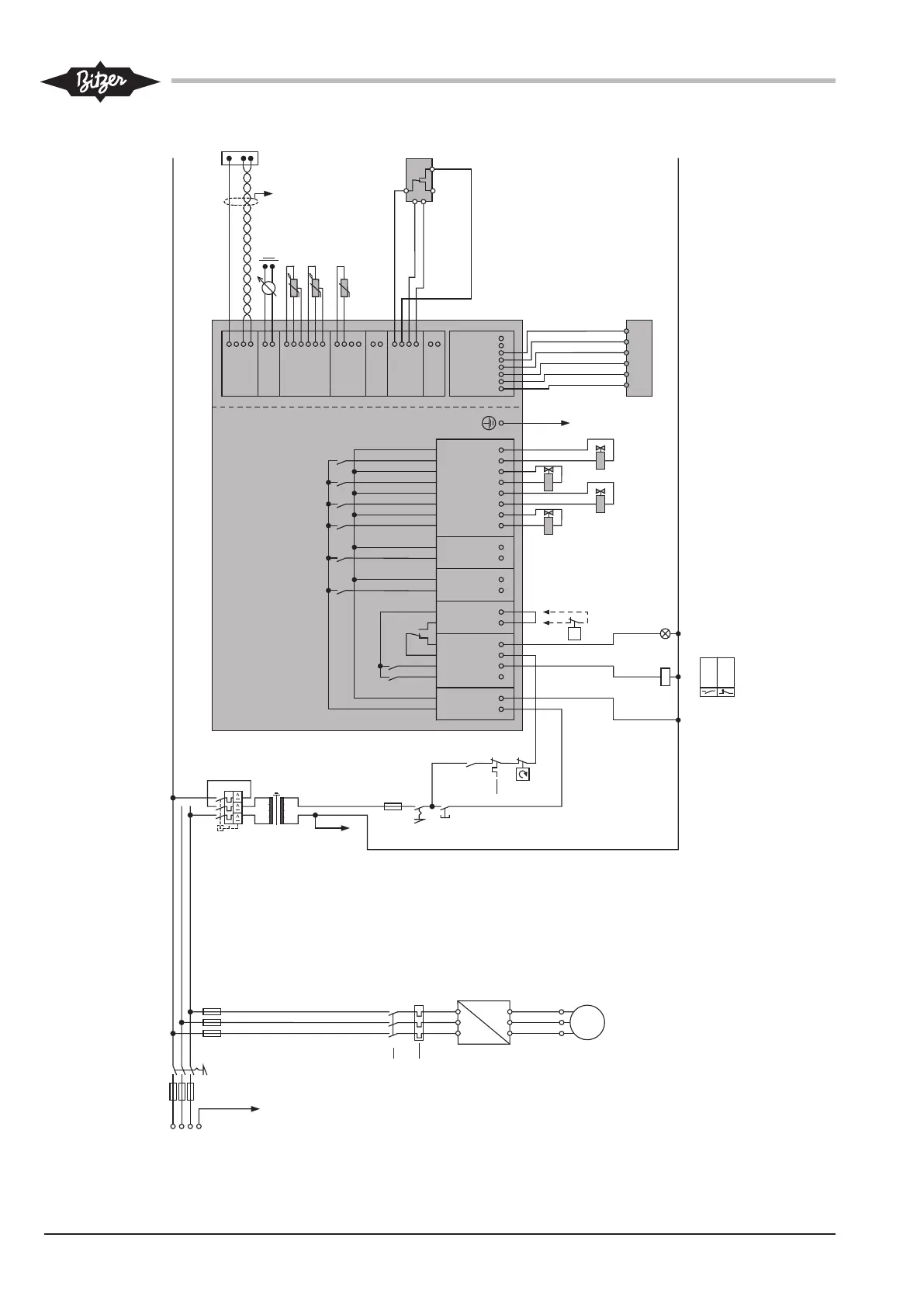
Abb.2: Prinzipschaltbild für Sanftanlauf und FU-Betrieb

Table of Contents

Other manuals for Bitzer CM-SW-01

Related product manuals