EasyManua.ls Logo

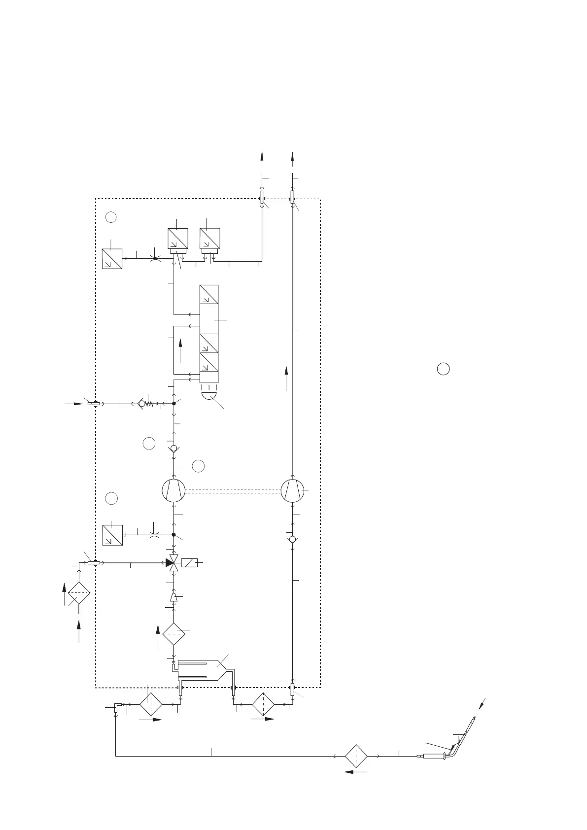
Bosch BEA 150 - 12.5 Gas circuit diagram (Siemens analysis chamber)

Bosch BEA 150
103 pages
Print Icon
To Next Page IconTo Next Page
To Next Page IconTo Next Page
To Previous Page IconTo Previous Page
To Previous Page IconTo Previous Page
Loading...
96
12.5 Gas circuit diagram (Siemens analysis chamber)
Meßgas
SL2
GF1
SL3
GF2
KA
WS2
GF3
WS2
RV2
SL15
KP
DS5
SL13
Kondensat-/
Abgasausgang
SL16SL14
DS1
WS2
WS1
SL4
GF4
SL5
SR
SL17
TS1
p
PS1 1
SL20
DD1
SL19
SL21
SL22
1
RV1
1
SL23
SL24
TS2
SL6
DS3
SL25
RV3
Prüfgas
GA1
SL11
SO1
SL8
SO2
SL7
p
PS2 1
SL26
DD2
O2
GA2
NO
GA3
SL9
SL10
DS4
SL12
Abgas
MV
SL1
ES
AF1
WS2
SL18
Frischluft
DS2
ES Entnahmesonde VS Vakuumschalter
GF1, ... 4 Grobfilter (Naßfilter) RV1, ... 3 Rückschlagventil
WS1, ... 2 Winkelstutzen GP Gaspumpe
KA Kondensatabscheider KP Kondensatpumpe
DS1, ... 5 Durchgangsstutzen GA1 Gasanalysator (CO-,HC-, CO2-Messkammer)
SR Schlauchreduzierung GA2 Gasanalysator (O2-Meßwertgeber)
MV Magnetventil GA3 Gasanalysator (NO-Meßwertgeber, SZB)
AF1 Aktivkohlefilter TS1, ... 2 T-Stutzen
PS 1 Drucksensor
DD1, ... 2 Dämpfungsdrossel SL1, ... 11 Schlauchleitung; Innendurchmesser = 5 mm; FPM (Viton)
SO1, ... 3 Sockel für elektrochem. Sensoren SL12, ... 13 Schlauchleitung; Innendurchmesser = 5 mm; PVC
IS Infrarotstrahler SL14, ... 22 Schlauchleitung; Innendurchmesser = 3,2 mm; FPM (Viton)
SL23, ... 27 Schlauchleitung; Innendurchmesser = 4 mm; FPM (Viton)
Gaslauf-BEA
IS
CO2 CO
HC

Table of Contents

Related product manuals