EasyManua.ls Logo

Bosch CE035 - Page 36

Bosch CE035
41 pages
Print Icon
To Next Page IconTo Next Page
To Next Page IconTo Next Page
To Previous Page IconTo Previous Page
To Previous Page IconTo Previous Page
Loading...
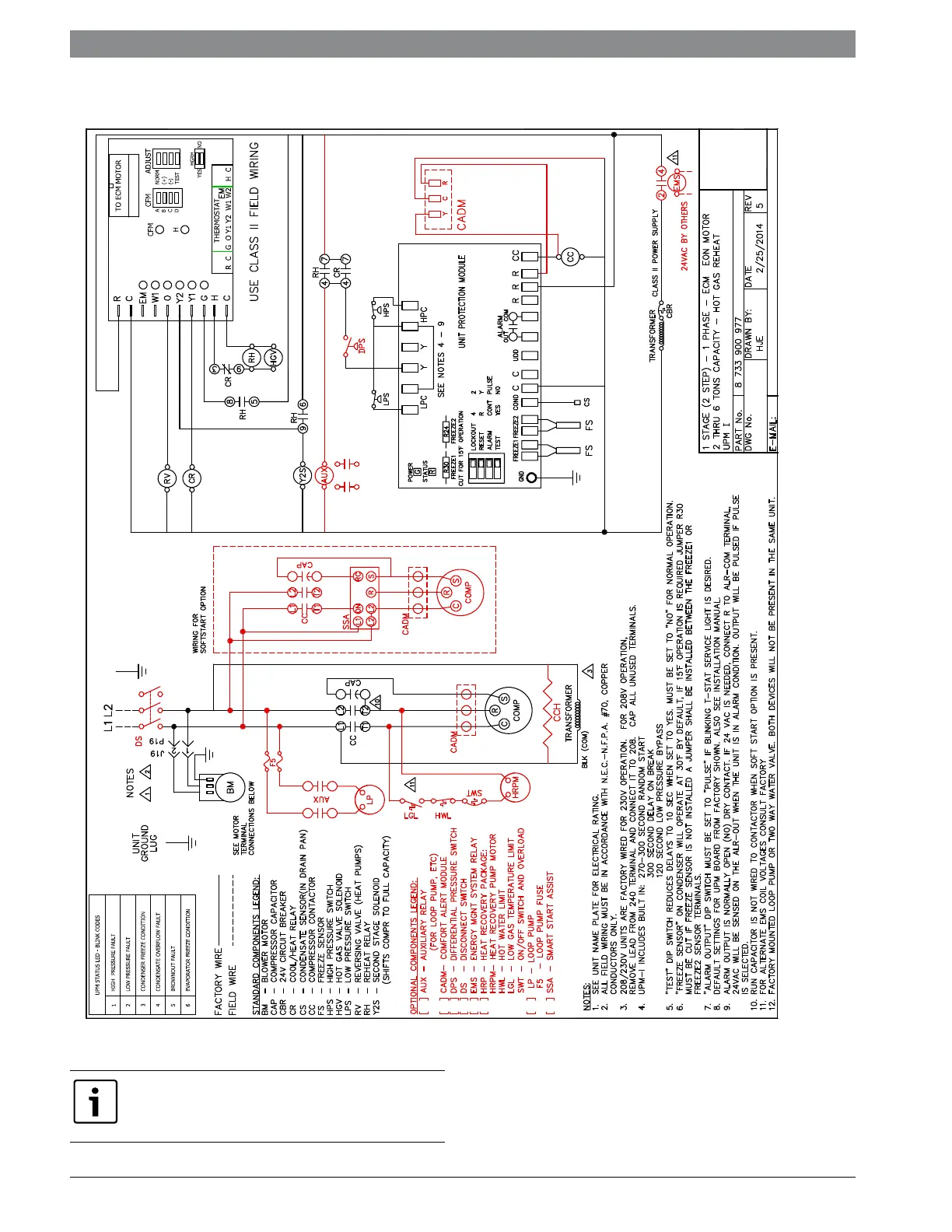
36 | Wiring diagrams CE Series Heat Pump
CE Series Heat Pump6 720 220 048 (2014/08) Subject to change without prior notice
Figure # 24
FOR REFERENCE ONLY Actual unit wiring
may vary from this example. Always refer to the
wiring diagram attached to the unit.

Related product manuals