EasyManua.ls Logo

Bosch Rexroth IndraDrive C - Page 143

Bosch Rexroth IndraDrive C
153 pages
Print Icon
To Next Page IconTo Next Page
To Next Page IconTo Next Page
To Previous Page IconTo Previous Page
To Previous Page IconTo Previous Page
Loading...
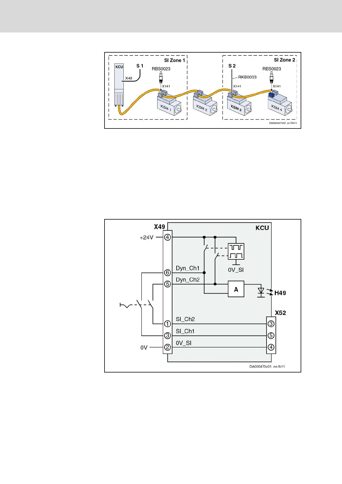
KCU, KSM 3 Safety zone beginner
KSM 1, KSM 4 Safety zone node
KSM 2 KSM without optional safety technology ⇒ not a safety
zone node
RBS0023 Connector for safety zone node at connection point
X141 (only required for KSM/KMS with optional safety
technology)
RKB0033 Cable for transmitting the safety-related signals
S 1, S 2 Signals of the individual safety zones
SI Zone 1, SI Zone 2 Safety zones
X49, X141 Connection points of safety technology
Fig. 12-10: Safety zones
Safety zone beginner
A Monitoring electronics in KCU
H49 Diagnostic display for safety technology signals
Fig. 12-11: Safety zone beginner KCU
Two options for signal input:
Bosch Rexroth AG DOK-INDRV*-SI3-**VRS**-AP06-EN-P
Rexroth IndraDrive Integrated Safety Technology "Safe Torque Off" (as of MPx-16)
140/149
Project planning
LSA Control S.L. www.lsa-control.com comercial@lsa-control.com (+34) 960 62 43 01

Table of Contents

Related product manuals