EasyManua.ls Logo

Bosch Rexroth IndraDrive C - Page 72

Bosch Rexroth IndraDrive C
153 pages
Print Icon
To Next Page IconTo Next Page
To Next Page IconTo Next Page
To Previous Page IconTo Previous Page
To Previous Page IconTo Previous Page
Loading...
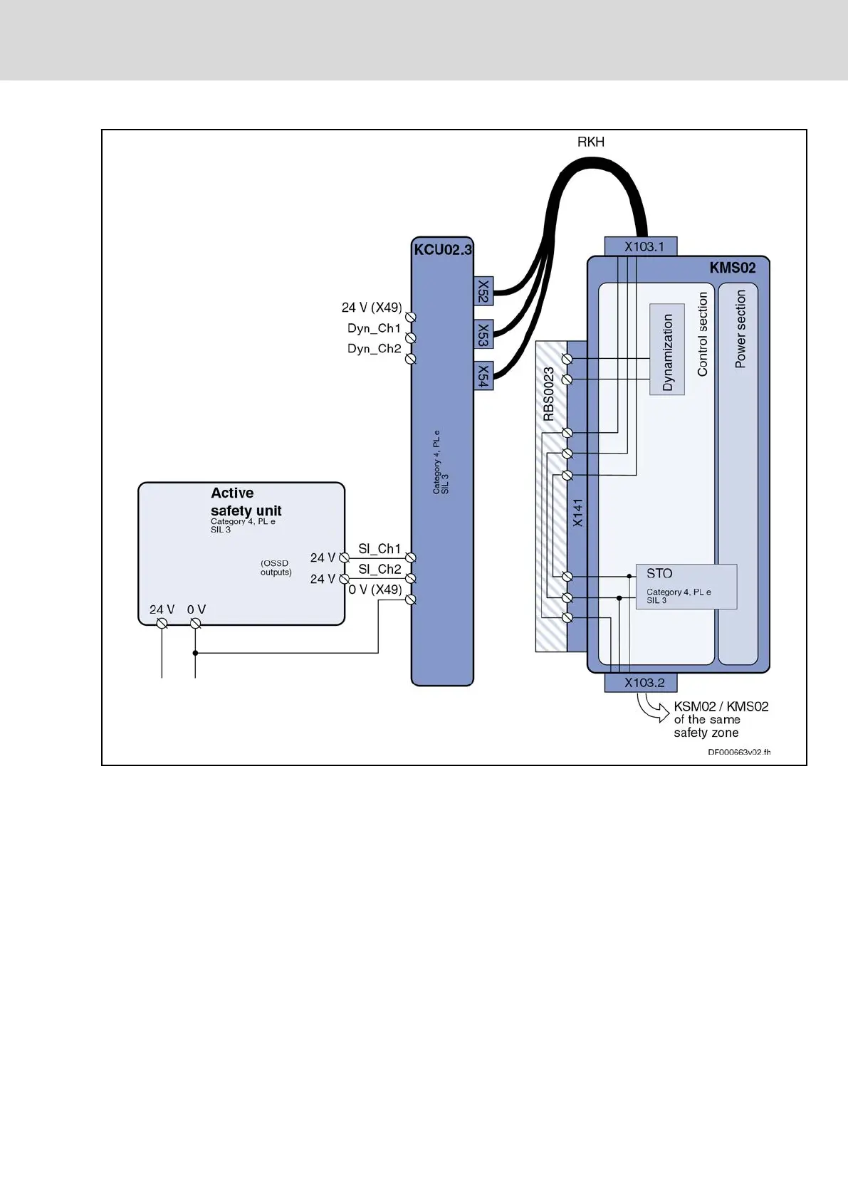
Fig. 7-11: KCU02 with active safety unit (plus-plus-switching outputs)
Plus-minus-switching safety unit
When the safety function is selected by means of a plus-minus-switching
safety unit, the following errors must be detected by the OSSD outputs:
Short circuit of the plus-switching selection signal against 24 V
Short circuit of the minus-switching selection signal against 0 V
DOK-INDRV*-SI3-**VRS**-AP06-EN-P
Rexroth IndraDrive Integrated Safety Technology "Safe Torque Off" (as of MPx-16)
Bosch Rexroth AG 69/149
Examples of application
LSA Control S.L. www.lsa-control.com comercial@lsa-control.com (+34) 960 62 43 01

Table of Contents

Related product manuals