EasyManua.ls Logo

Bosch Rexroth IndraDrive M - Page 65

Bosch Rexroth IndraDrive M
153 pages
Print Icon
To Next Page IconTo Next Page
To Next Page IconTo Next Page
To Previous Page IconTo Previous Page
To Previous Page IconTo Previous Page
Loading...
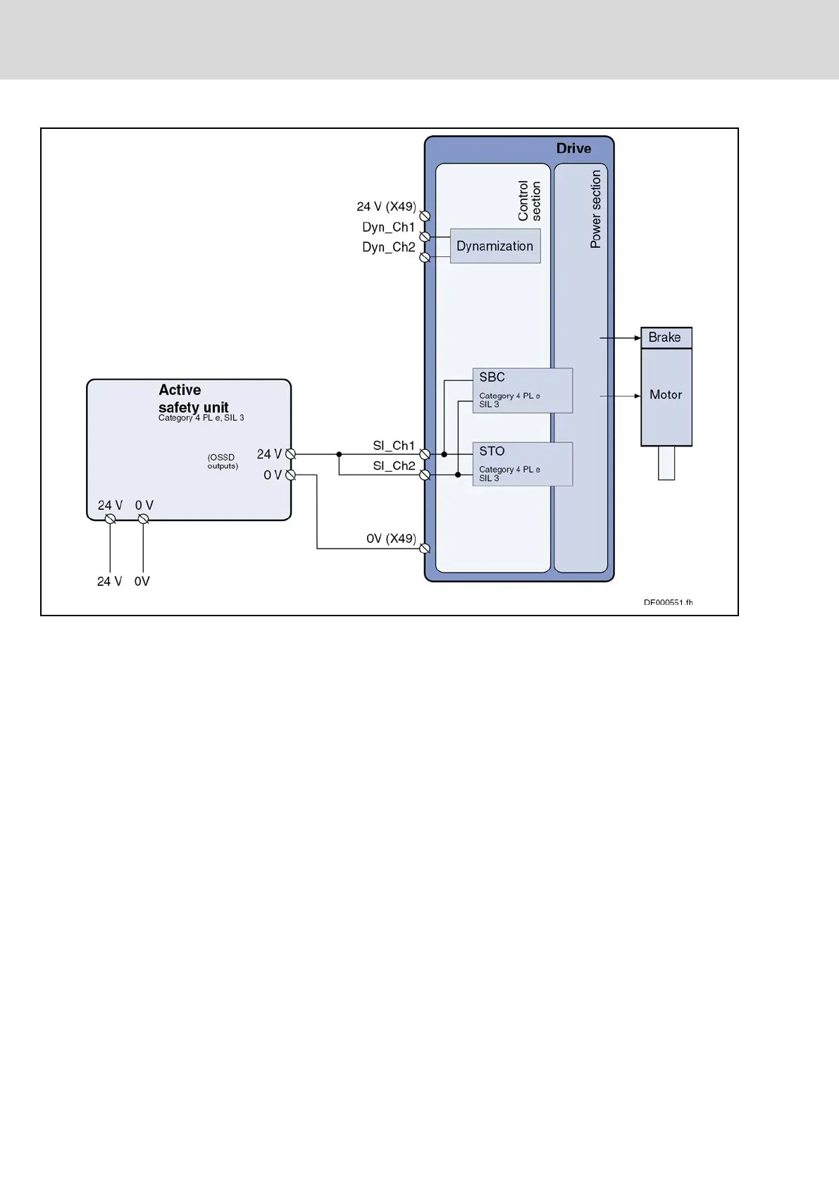
Fig. 7-4: STO function and SBC function (only IndraDrive Cs with "L4") with ac‐
tive safety unit (plus-minus-switching outputs)
Single-channel wiring
When the safety function is selected by means of a safety unit, the short
circuit with 24 V must be detected by the OSSD output.
Bosch Rexroth AG DOK-INDRV*-SI3-**VRS**-AP06-EN-P
Rexroth IndraDrive Integrated Safety Technology "Safe Torque Off" (as of MPx-16)
62/149
Examples of application
LSA Control S.L. www.lsa-control.com comercial@lsa-control.com (+34) 960 62 43 01

Table of Contents

Other manuals for Bosch Rexroth IndraDrive M

Related product manuals