EasyManua.ls Logo

Bosch Rexroth IndraDrive M - Page 66

Bosch Rexroth IndraDrive M
153 pages
Print Icon
To Next Page IconTo Next Page
To Next Page IconTo Next Page
To Previous Page IconTo Previous Page
To Previous Page IconTo Previous Page
Loading...
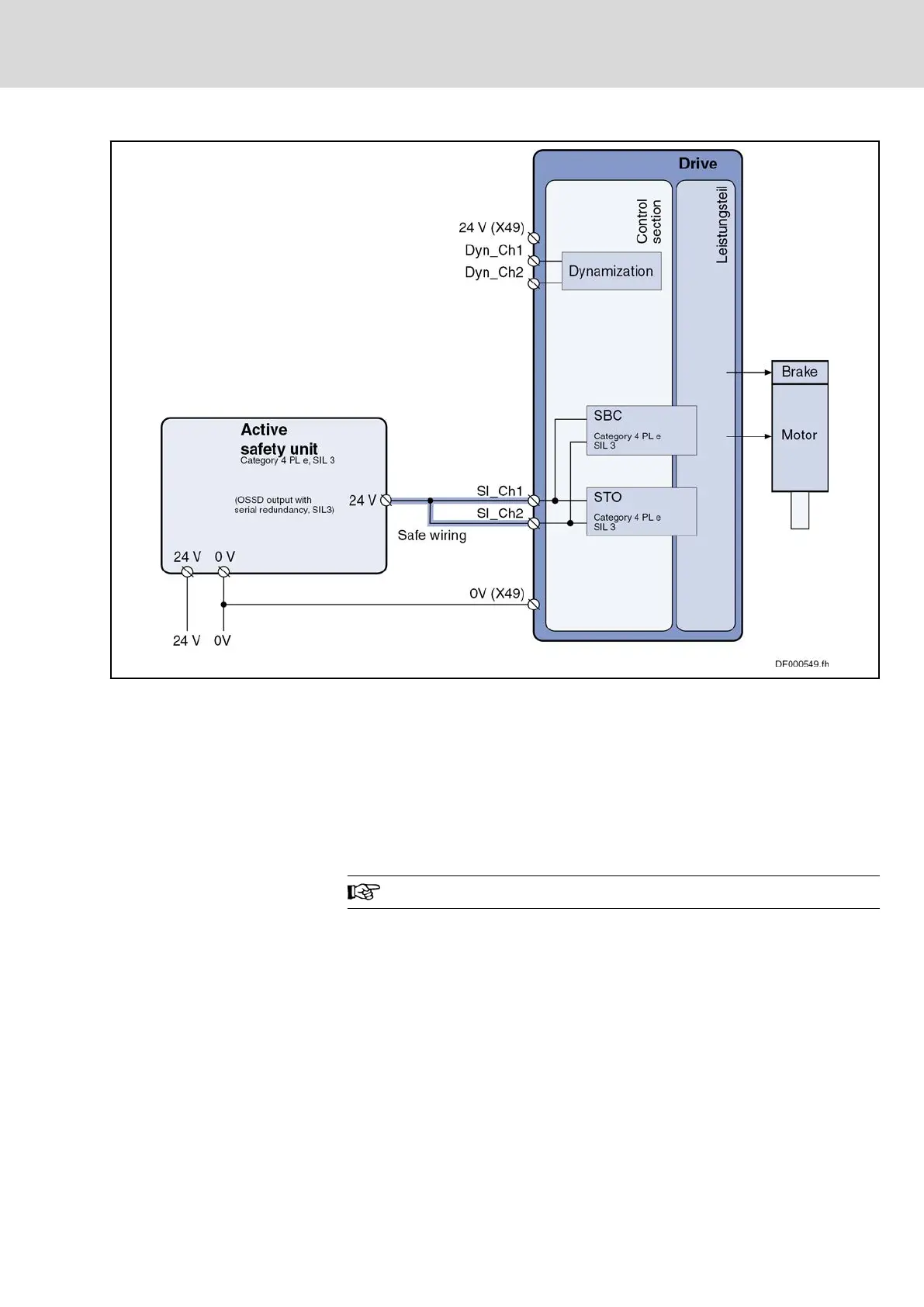
Fig. 7-5: STO function and SBC function (only IndraDrive Cs with "L4") with sin‐
gle-channel wiring and active safety unit
When the wiring between the active safety unit and connector X49 of the "L
option" is to be a single-channel wiring (as illustrated above), the wiring must
be carried out as a "safe wiring". For this purpose, the following fault
exclusions must be made:
Short circuits with other potentials
Short circuit with 24 V
Short circuit with ground
See also EN 61800-5-2: 2007, table D.1
When the wiring between the active safety unit and connector X49 of the "L
option" is a single-channel
wiring, the OSSD output must have been
designed with "serial redundancy" in accordance with SIL3.
DOK-INDRV*-SI3-**VRS**-AP06-EN-P
Rexroth IndraDrive Integrated Safety Technology "Safe Torque Off" (as of MPx-16)
Bosch Rexroth AG 63/149
Examples of application
LSA Control S.L. www.lsa-control.com comercial@lsa-control.com (+34) 960 62 43 01

Table of Contents