EasyManua.ls Logo

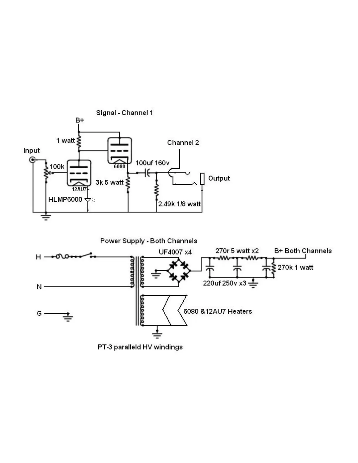
Bottlehead Crack - Amplifier Schematic

Bottlehead Crack
43 pages
Print Icon
To Next Page IconTo Next Page
To Next Page IconTo Next Page
To Previous Page IconTo Previous Page
To Previous Page IconTo Previous Page
Loading...
7
Bottlehead Crack Output Transfomer-Less Headphone Amplifier
100VDC
90VDC
22K1
1.5VDC
100VDC
170VDC