EasyManua.ls Logo

Brass Flame PF70 - Wiring Diagram

Brass Flame PF70
31 pages
Print Icon
To Next Page IconTo Next Page
To Next Page IconTo Next Page
To Previous Page IconTo Previous Page
To Previous Page IconTo Previous Page
Loading...
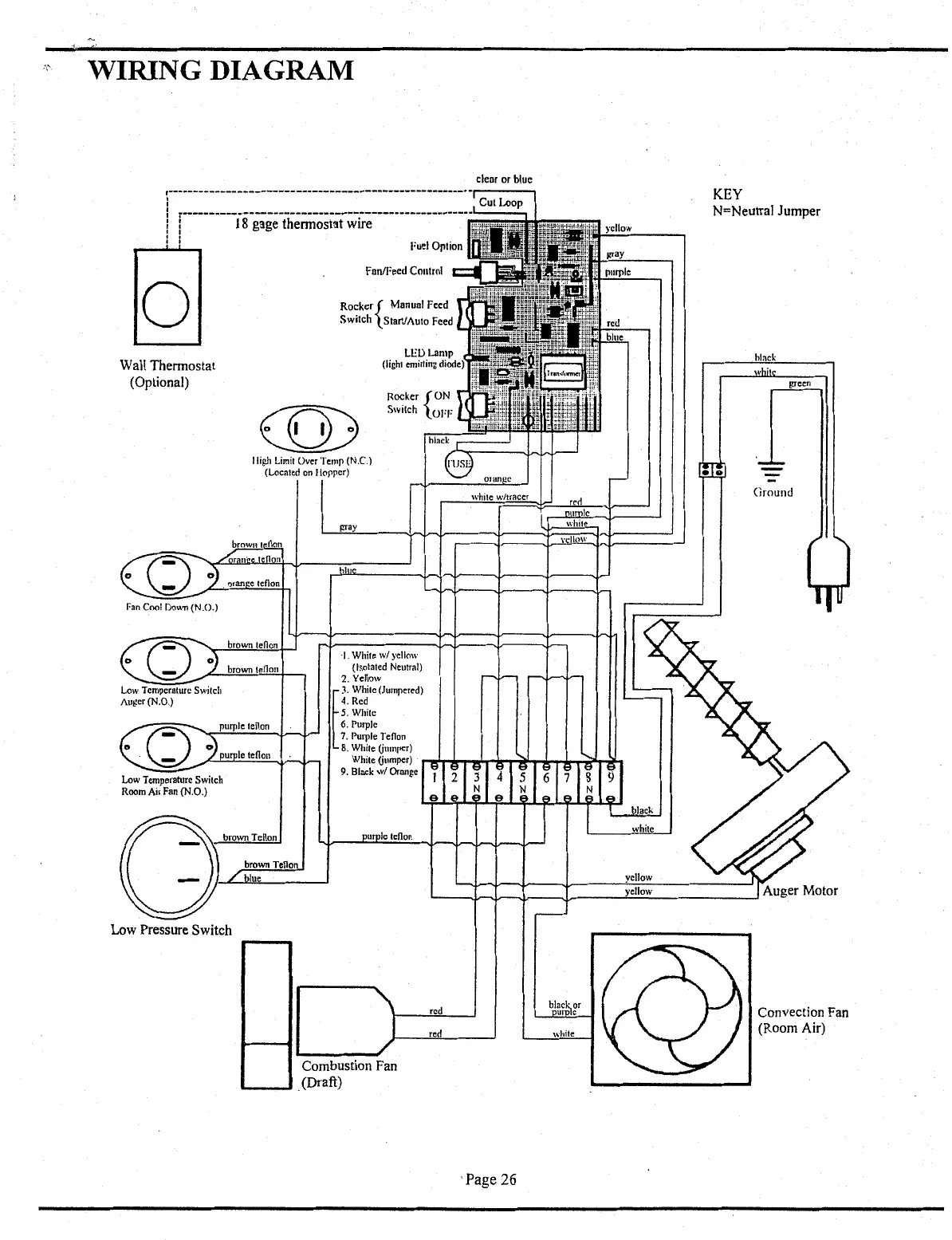
WIRING DIAGRAM
0
Wall
Thermostat
(Optional)
Low
Tempcratwe
Switch
Auger
(N.O.)
Low
Temperature
Switch
Room
Air
Fan
(N.O.)
Low
Pressure Switch
I 8
gage
thermostat
wire
Fun/Feed Control
ttigh
Limit
Over
Temp
(N.C.)
(Located
on
!topper)
teflon
teflon
·I.
White
w/
yellow
(Isolated
Neutral)
2.
Yellow
3.
White
(Jumpered)
4.
Red
5.
While
6.
Purple
7.
Purple
Teflon
8.
White
(jumper)
White
(jumper)
9.
Black
w/
Orange
Combustion
Fan
.__
_
_.
. (Draft)
clear
or
blue
KEY
N=Neutral Jumper
Ground
·Page 26