EasyManua.ls Logo

Broaster VF3i - Page 15

Default Icon
60 pages
Print Icon
To Next Page IconTo Next Page
To Next Page IconTo Next Page
To Previous Page IconTo Previous Page
To Previous Page IconTo Previous Page
Loading...
3-5
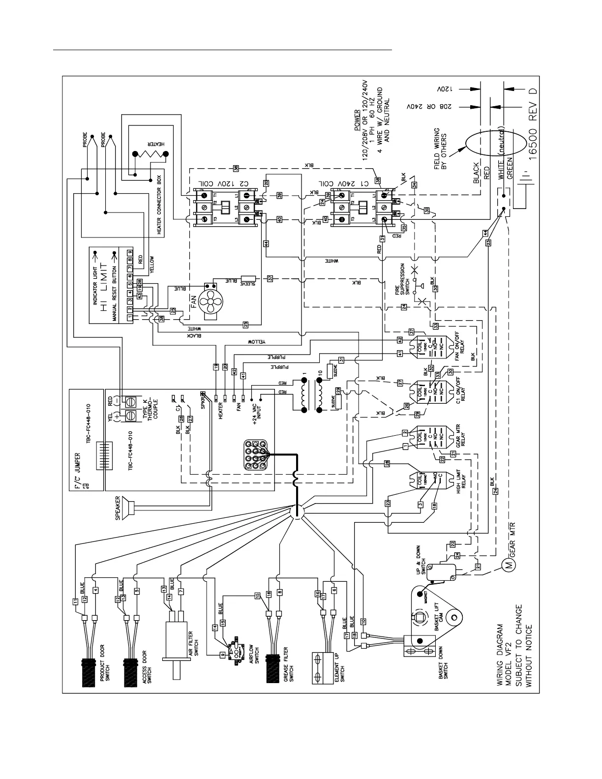
WIRING DIAGRAM - VF-2 effective S/N VF2F70041x
NO
NC
C
PRESSUR E S ENSO R
P
MPL
broaster.com Manual #16421 5/06 Rev 4/14

Other manuals for Broaster VF3i

Related product manuals