EasyManua.ls Logo

Broaster VF3i - Page 20

Default Icon
60 pages
Print Icon
To Next Page IconTo Next Page
To Next Page IconTo Next Page
To Previous Page IconTo Previous Page
To Previous Page IconTo Previous Page
Loading...
3-10
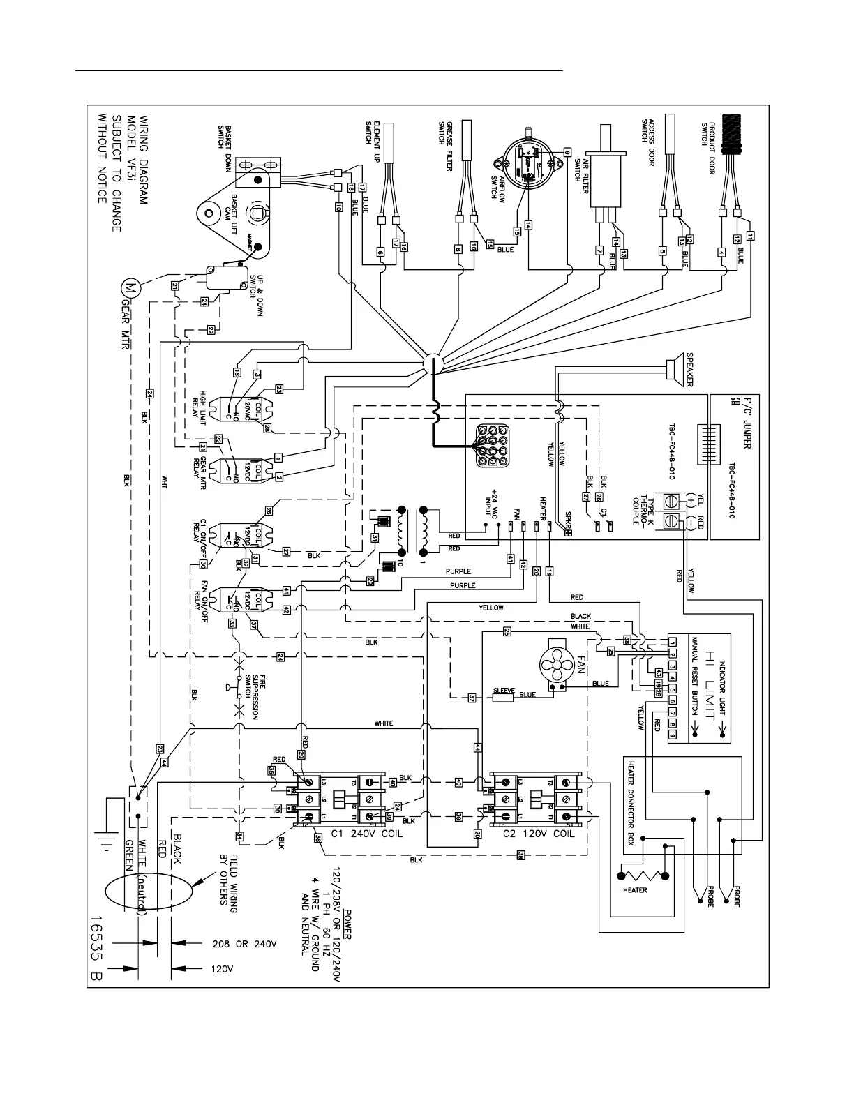
WIRING DIAGRAM - VF-3i effective S/N VF3H90xxxx
NO
NC
C
broaster.com Manual #16421 5/06 Rev 4/14

Other manuals for Broaster VF3i

Related product manuals