EasyManua.ls Logo

Broaster VF3i - Page 24

Default Icon
60 pages
Print Icon
To Next Page IconTo Next Page
To Next Page IconTo Next Page
To Previous Page IconTo Previous Page
To Previous Page IconTo Previous Page
Loading...
3-14
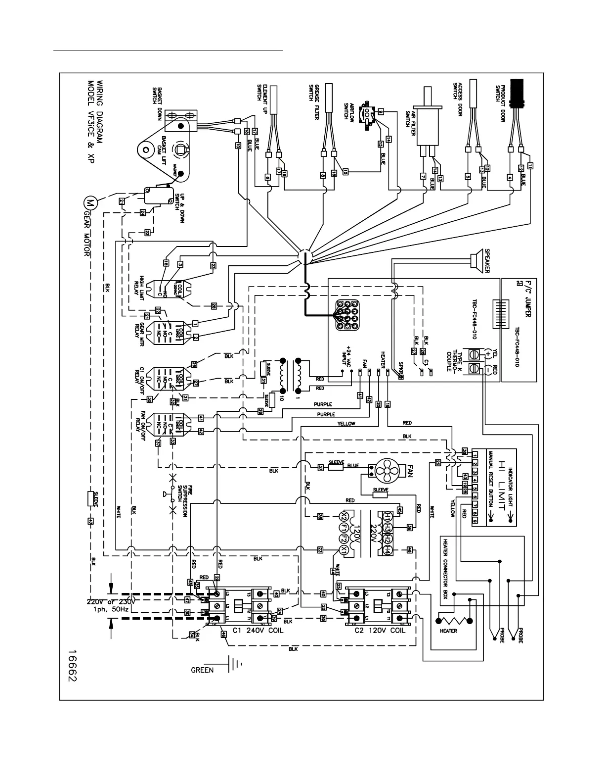
WIRING DIAGRAM - VF-3i EXPORT
NO
NC
C
PRES SUR E S ENSOR
P
MPL
broaster.com Manual #16421 5/06 Rev 4/14

Other manuals for Broaster VF3i

Related product manuals