EasyManua.ls Logo

Broderson IC-200-2H - IC-200-3 H Dimensions

Default Icon
74 pages
Print Icon
To Next Page IconTo Next Page
To Next Page IconTo Next Page
To Previous Page IconTo Previous Page
To Previous Page IconTo Previous Page
Loading...
1-3
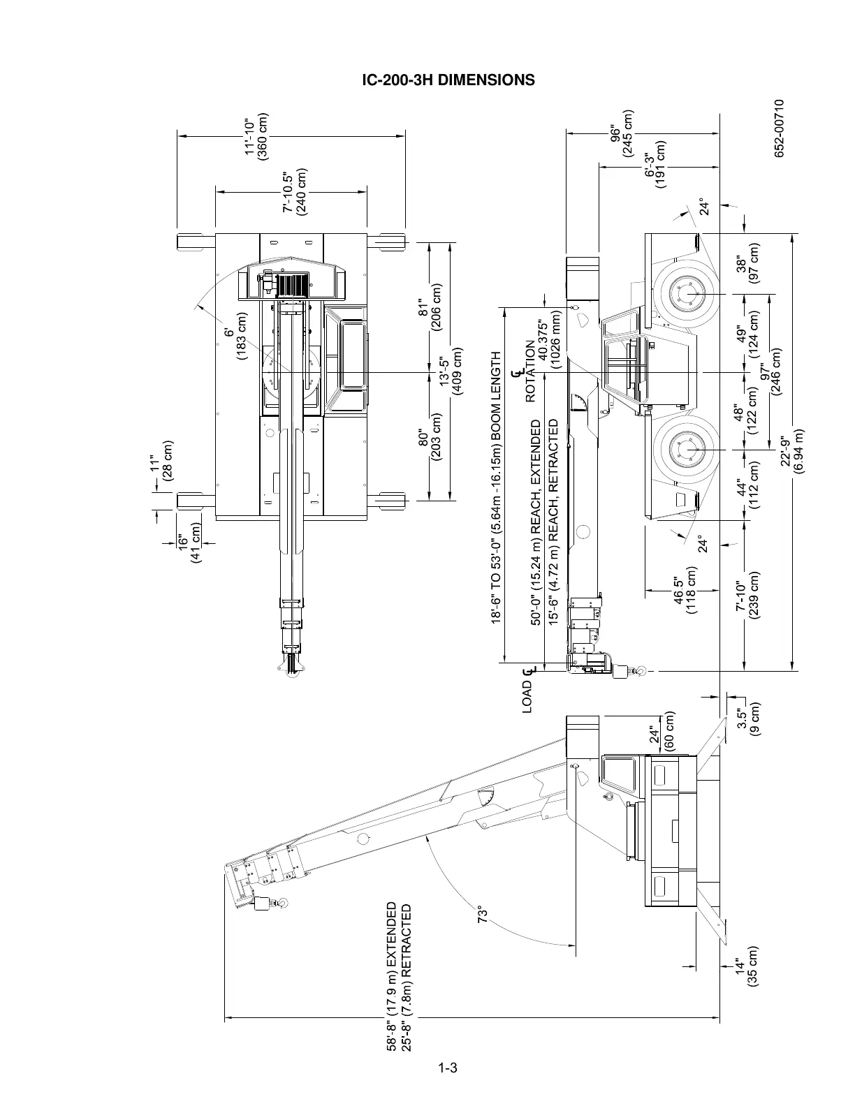
IC-200-3H DIMENSIONS
Courtesy of Crane.Market

Related product manuals