EasyManua.ls Logo

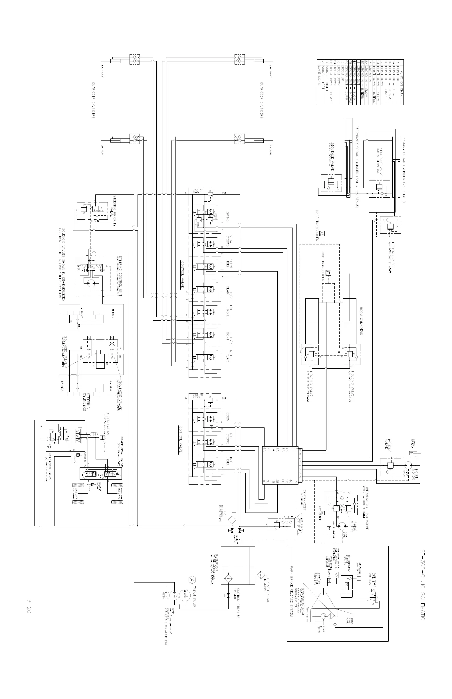
Broderson RT-300-2G - MAINTENANCE - HYDRAULIC SCHEMATICS; RT-300-G JIC SCHEMATIC

Default Icon
89 pages
Print Icon
To Next Page IconTo Next Page
To Next Page IconTo Next Page
To Previous Page IconTo Previous Page
To Previous Page IconTo Previous Page
Loading...
Courtesy of Crane.Market

Related product manuals