EasyManua.ls Logo

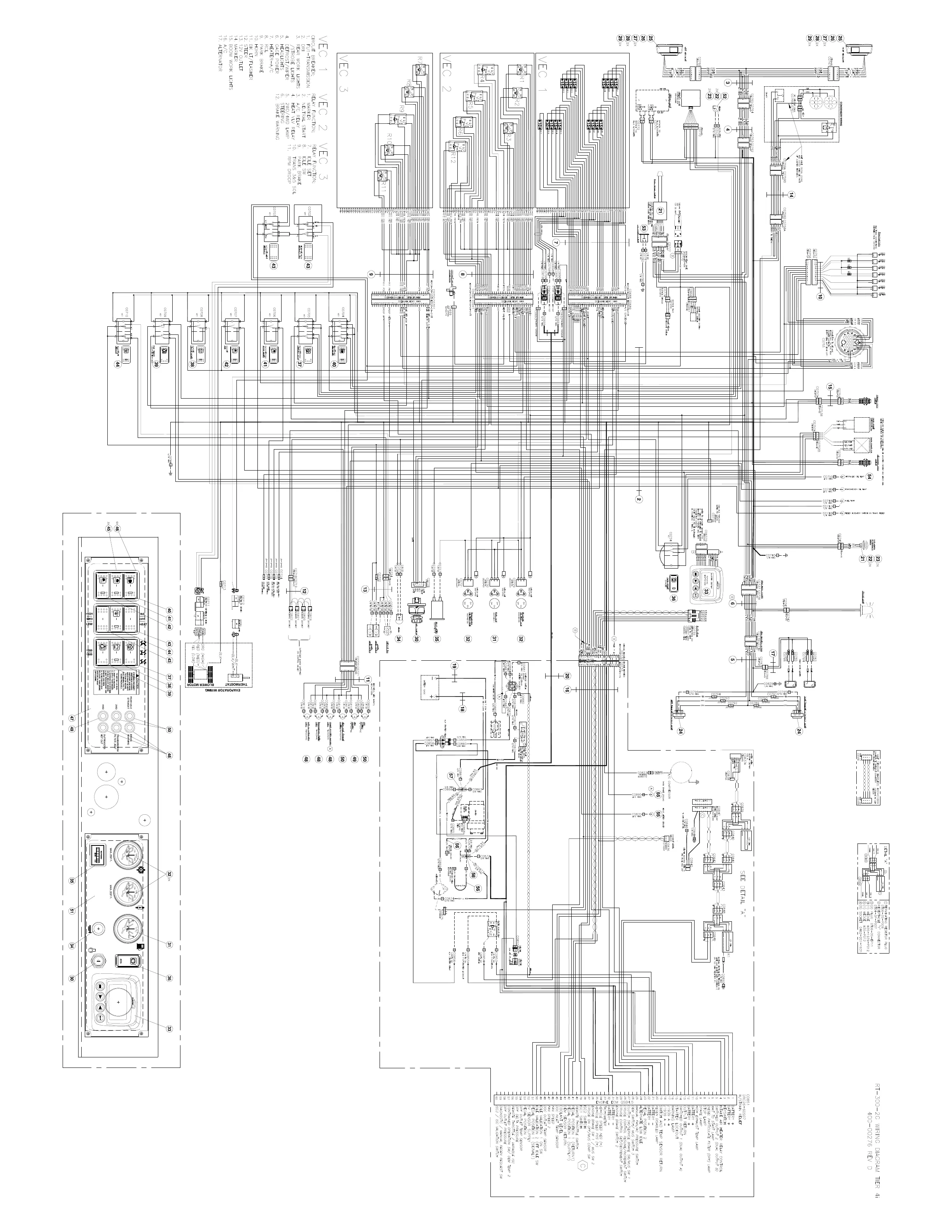
Broderson RT-300-2G - RT-300-2 G WIRING DIAGRAM TIER 4 i

Default Icon
89 pages
Print Icon
To Previous Page IconTo Previous Page
To Previous Page IconTo Previous Page
Loading...
Powered by TCPDF (www.tcpdf.org)
Courtesy of Crane.Market

Related product manuals