EasyManua.ls Logo

Brother MFC-7860DW - 9.34 Motor Drive Sub ASSY, Main Motor

Brother MFC-7860DW
343 pages
Print Icon
To Next Page IconTo Next Page
To Next Page IconTo Next Page
To Previous Page IconTo Previous Page
To Previous Page IconTo Previous Page
Loading...
3-104
Confidential
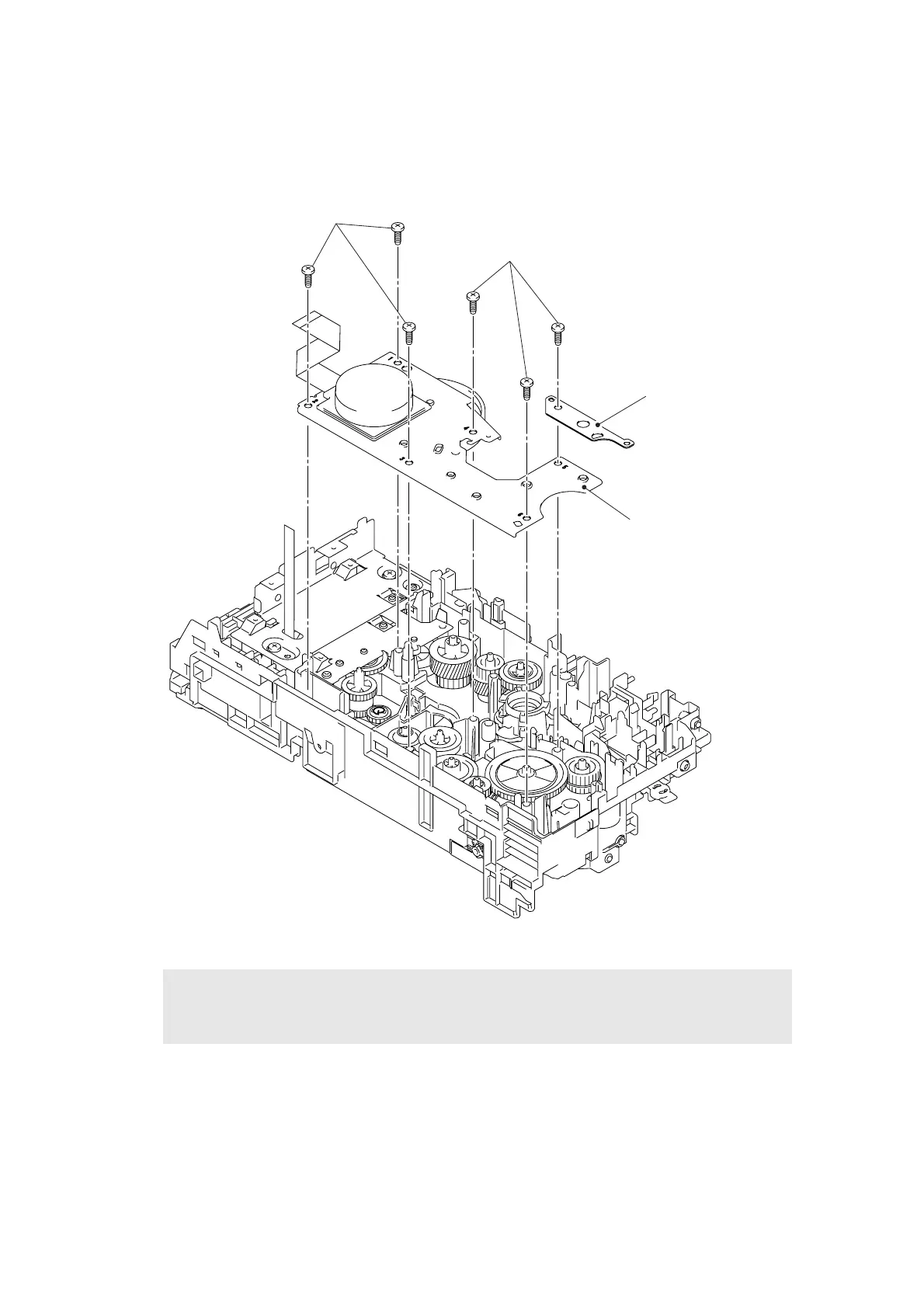
9.34 Motor Drive Sub ASSY, Main Motor
(1) Remove the six taptite bind B M4x12 screws to remove the stopper and motor drive sub
ASSY.
Fig. 3-93
Assembling Note:
When assembling the motor drive sub ASSY, tighten the six taptite bind B M4x12
screws in numerical order written in the plate.
1
2
3
4
5
6
Stopper
Motor drive sub ASSY
Taptite bind B M4x12
Taptite bind B M4x12

Table of Contents

Other manuals for Brother MFC-7860DW

Related product manuals