EasyManua.ls Logo

Brother MFC-7860DW

Brother MFC-7860DW
343 pages
To Next Page IconTo Next Page
To Next Page IconTo Next Page
To Previous Page IconTo Previous Page
To Previous Page IconTo Previous Page
Loading...
6-7
Confidential
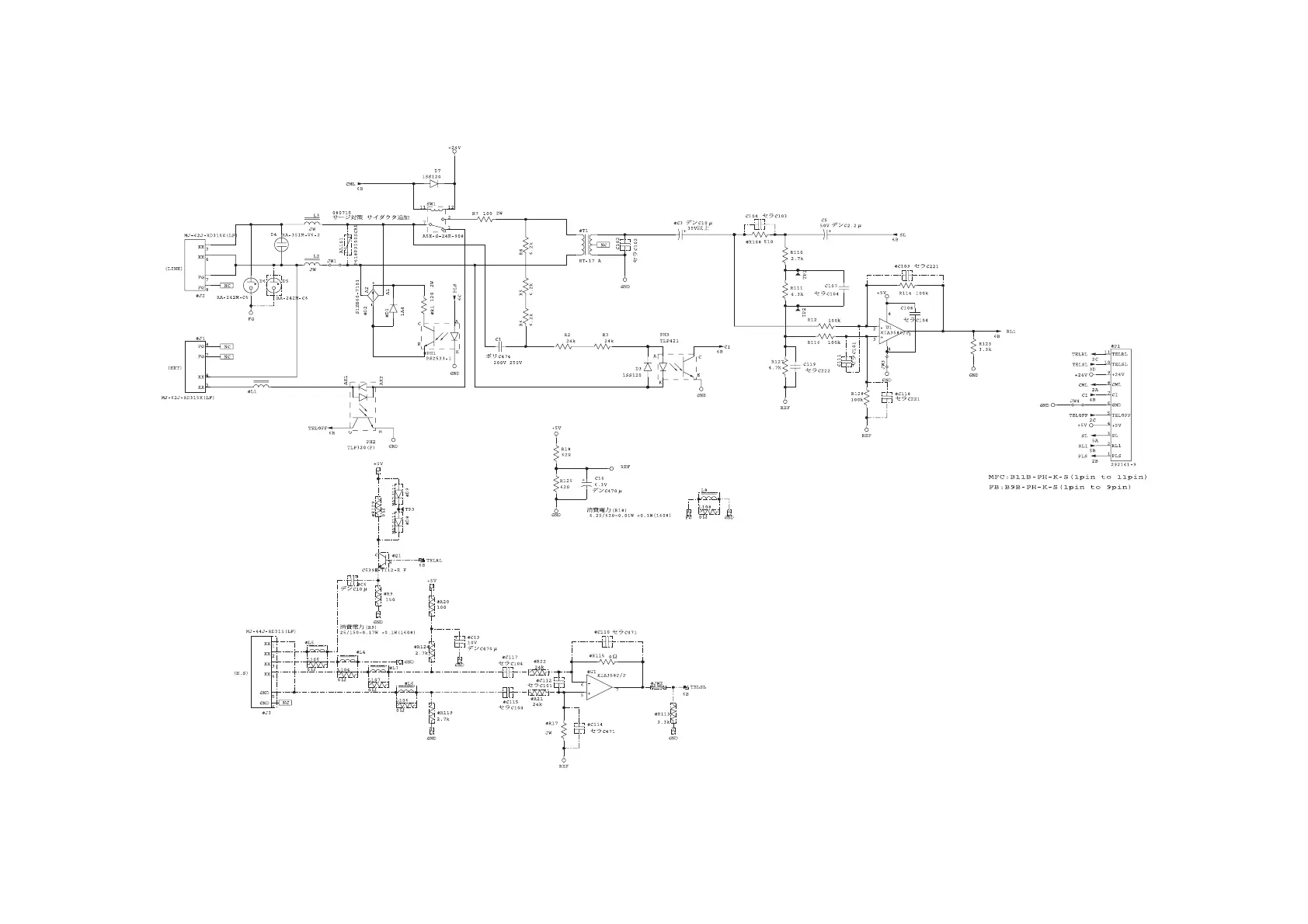
NCU PCB Circuit Diagram: U.S.A/Canada

Table of Contents

Other manuals for Brother MFC-7860DW

Related product manuals