EasyManua.ls Logo

BRP EVINRUDE E-TEC 115 HP 2011 - V6 Fuel System Circuit Diagram; Fuel Requirements and Additives

BRP EVINRUDE E-TEC 115 HP 2011
416 pages
Print Icon
To Next Page IconTo Next Page
To Next Page IconTo Next Page
To Previous Page IconTo Previous Page
To Previous Page IconTo Previous Page
Loading...
FUEL SYSTEM
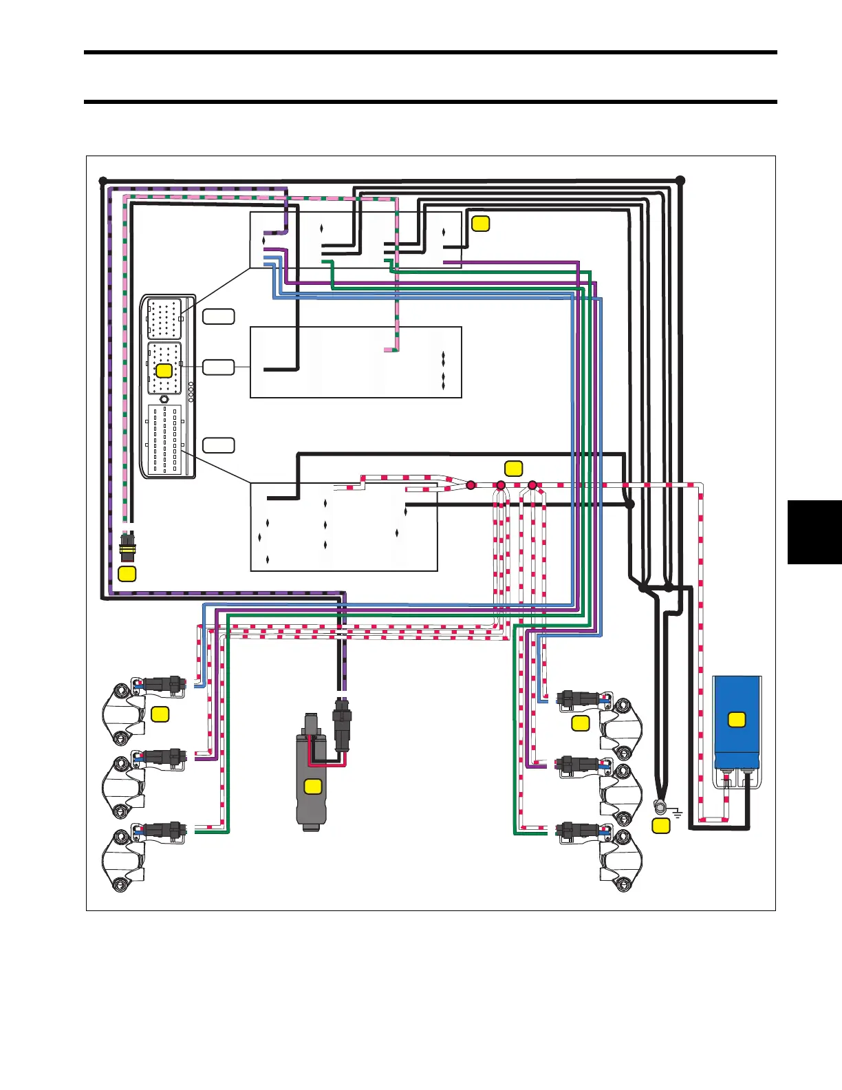
FUEL SYSTEM CIRCUIT DIAGRAM – V6
135
7
FUEL SYSTEM CIRCUIT DIAGRAM – V6
1.
2.
3.
Injectors
EMM
55 V circuit (white/red)
4.
5.
6.
Capacitor
Grounds (neg)
Fuel Injector grounds
7.
8.
High pressure fuel pump
Fuel filter/water separator
007118
8
5
4
7
2 1
J2
J1-B
J1-A
1 2
2
1
3
5
2
4
6
1
1
1 2 3 4 5 6 7 8 9
18 19 20 21 22 23 24 25
26 27 28 29 30 31 32 33 34
1 2 3 4 5 6 7 8 9 10
11 12 13 14 15 16 17 18 19
1 2
1 2
1
2
1 2 3 4 5 6 7
8 9 10 11 12 13
10 11 12 13 14 15 16 17
14 15 16 17 18 19
20 21 22 23 24 25 26
20 21 22 23 24 25 26 27 28 29
1 2
1 2
1
2
3
6

Table of Contents

Related product manuals