EasyManua.ls Logo

BRP EVINRUDE E-TEC 115 HP 2011 - Trim and Tilt: System Description; Trim;Tilt System Components and Operation

BRP EVINRUDE E-TEC 115 HP 2011
416 pages
Print Icon
To Next Page IconTo Next Page
To Next Page IconTo Next Page
To Previous Page IconTo Previous Page
To Previous Page IconTo Previous Page
Loading...
326
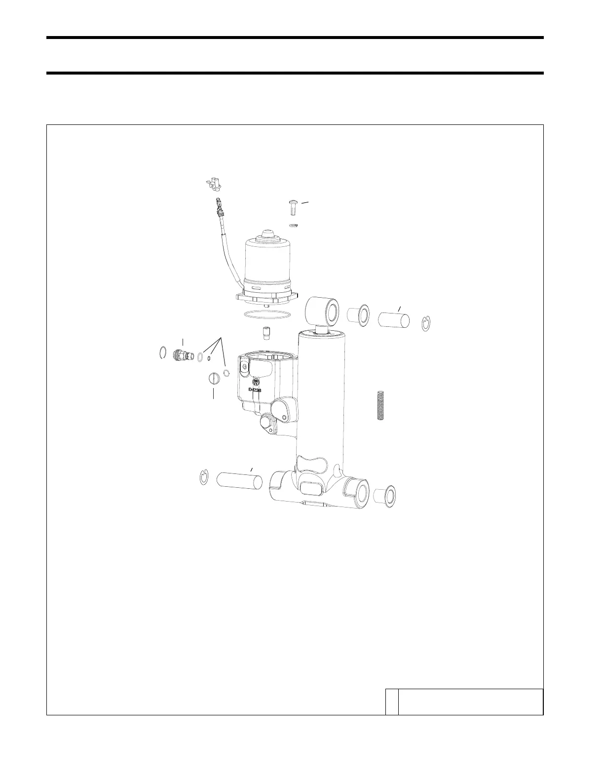
TRIM AND TILT
SERVICE CHART
SERVICE CHART
20” 115 HP MODELS (SINGLE PISTON SYSTEM)
005002
A Triple-Guard Grease
W Biodegradable TNT Fluid
30 to 50 In. lbs.
(4 to 5.6 N·m)
A
A
W
45 to 55 In. lbs.
(5 to 6 N·m)
45 to 55 In. lbs.
(5 to 6 N·m)

Table of Contents

Related product manuals