EasyManua.ls Logo

Bryant BW9 - Page 22

Bryant BW9
52 pages
Print Icon
To Next Page IconTo Next Page
To Next Page IconTo Next Page
To Previous Page IconTo Previous Page
To Previous Page IconTo Previous Page
Loading...
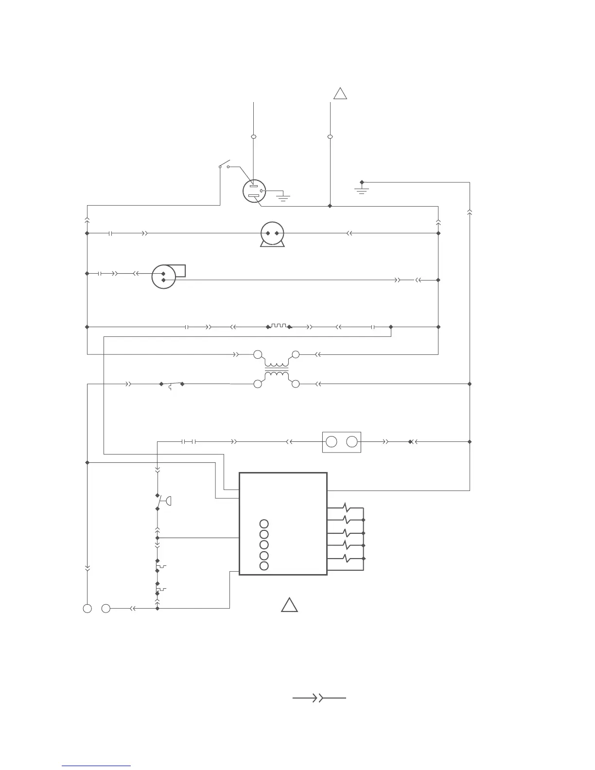
Fig. 19—Ladder Wiring Diagram
A99305
1
POWER SUPPLY. PROVIDE DISCONNECT MEANS AND
OVERLOAD PROTECTION AS REQUIRED
NOTE: "P" LABEL REFERENCE LOCATION OF
CONNECTOR PLUG
BETWEEN SCHEMATIC AND LADDER DIAGRAM
USE ONLY COPPER WIRE BETWEEN DISCONNECT
AND THE
UNIT
RECEPTACLE IS LIVE WHEN BOILER SWITCH IS OFF
*
CAUTION:
REFERENCES PLUG
CONNECTION
*
RECEPTACLE
DRAFT
INDUCER
CASTING TEMPERATURE
AQUASTAT
CONTROL
MICROPROCESSOR
ELECTRONIC
LOGIC & TIMERS
INDICATOR LIGHTS
VALVE
IGNITER
PURGE
POWER
5K
4K
3K
2K
1K
P3-7
W
SAFETY SWITCH
TRANSFORMER
R
P3-4
P3-6
P3-3
P3-54K1 3K1
P3-2
P2-1
P1-1
P1-3
P2-2
24 VAC
120 VAC
P3-1
L1
HO
T
L2
P7-2
2K1
CIRCULATOR
MOTOR
1K
1
5K1
P6-1 P6-2 5K2
HOT SURFACE IGNITER
120 VOLT POWER SUPPLY
THERMOSTAT
1
DIFFERENTIAL AIR
P3-9
HIGH LIMIT
(MANUAL RESET)
BLOWER TEMPERATURE
SAFETY SWITCH
PRESSURE SWITCH
4
5
1
3
MV MV
GAS VALVE
VR8205A
P12-1
P12-2
P9-2
P9-3
BLK
WHT
P10-1
P5-3
P4-3
P7-3
P4-1
P7-1
P5-1
P10-2
FLAME
1013-10
CONTROL
ON/OFF
SWITCH
—22—

Table of Contents

Related product manuals