EasyManua.ls Logo

Buehler Vector - Page 34

Buehler Vector
41 pages
Print Icon
To Next Page IconTo Next Page
To Next Page IconTo Next Page
To Previous Page IconTo Previous Page
To Previous Page IconTo Previous Page
Loading...
Vector
®
Power Head Assembly Drawings
Note: Drawings and Parts List are subject to change without notice.
30
MA601990_20 [Original Instructions] 10/04/2010
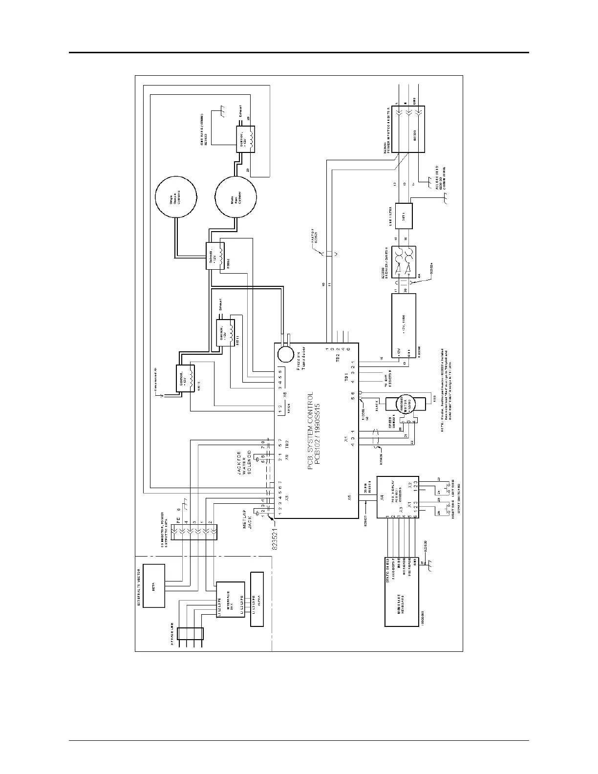
Figure 27 Vector Power Head Electrical Diagram (1990900I)

Related product manuals