EasyManua.ls Logo

Burnham K2WTC - Page 89

Burnham K2WTC
160 pages
Print Icon
To Next Page IconTo Next Page
To Next Page IconTo Next Page
To Previous Page IconTo Previous Page
To Previous Page IconTo Previous Page
Loading...
89
107774-01- 9/17
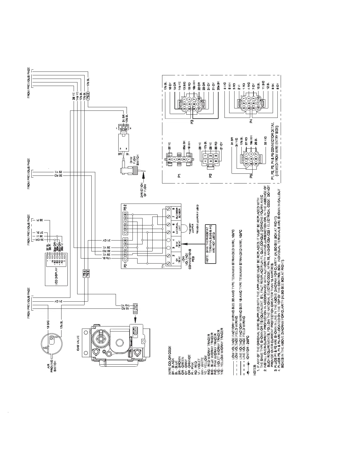
Figure 11.7: Internal Wiring Connections Diagram
XI. Wiring (continued)

Related product manuals