EasyManua.ls Logo

BWT COVERDECK - 7. Wiring Diagrams; Control Wiring Diagram Details

BWT COVERDECK
Print Icon
To Next Page IconTo Next Page
To Next Page IconTo Next Page
To Previous Page IconTo Previous Page
To Previous Page IconTo Previous Page
Loading...
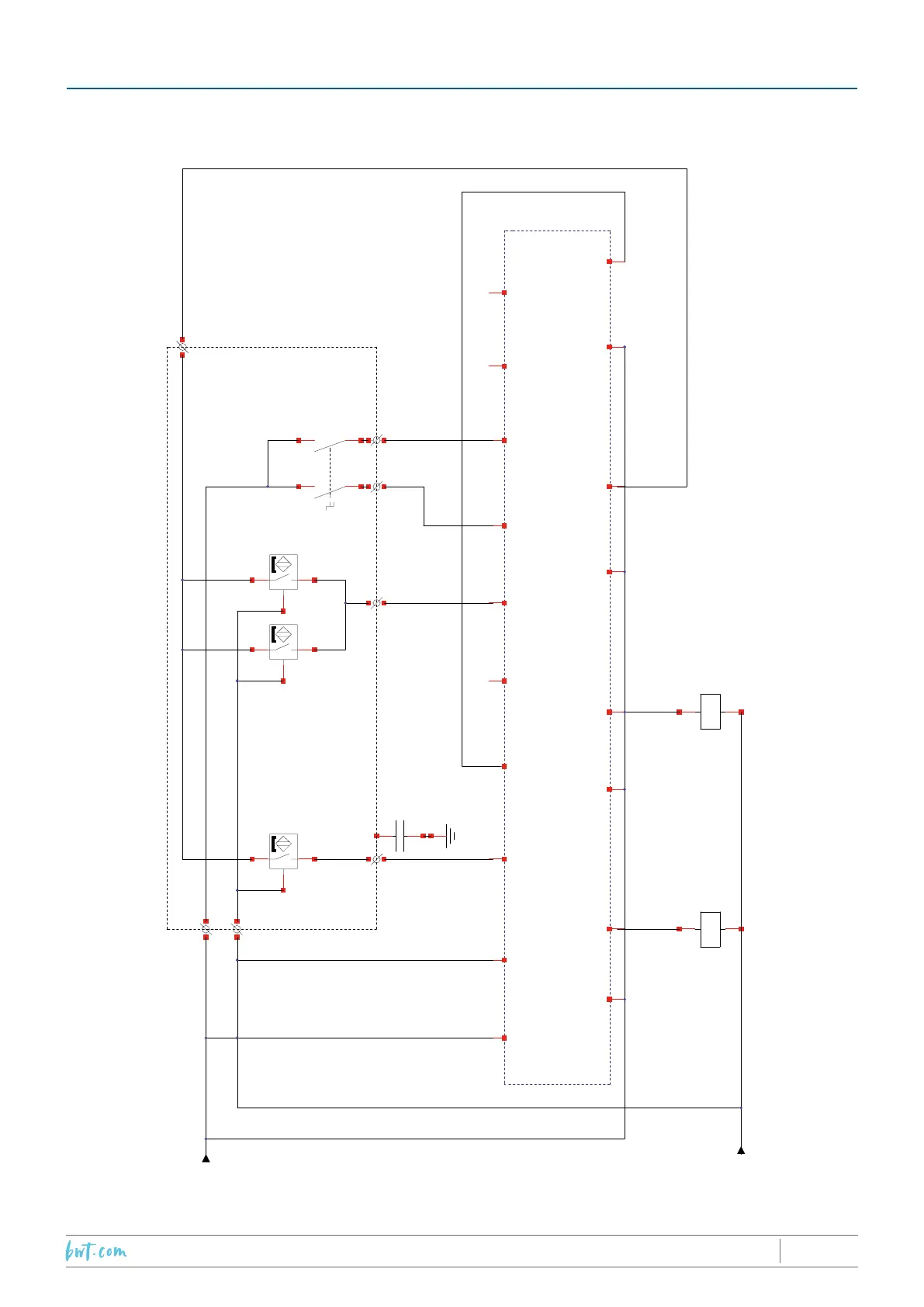
7. WIRING DIAGRAMS
24VDC
0VDC
S1
KA1KA2
X:Ex:A
X:T
x:C
X:0
X:1X:2
Condensateur
X2 470nF
(O2-J)
(O2-J)
A1
A2
A1
A2
Compte tour
I1
Comptage décomptage
I2
I3
Niveau d'eau
I4
Ouverture
I5
Fermeture
I6
I7 I8
-+
Q1
Rotation moteur sens 1
Q2
Rotation moteur sens 2
Q3
Alimentation capteurs
Q4
Décomptage/Comptage
Control wiring diagram
Water level
Open
Close
Supply sensors
Counter
Counter
Turn counter
Condenser
Motor rotation, direction 1 Motor rotation, direction 2
2019/01 - Indice de révision : N - Code : 34201PROTECTION & SÉCURITÉ
41/60

Related product manuals