EasyManua.ls Logo

BWT COVERDECK - Power Wiring Diagram; Electrical Power Distribution Diagram

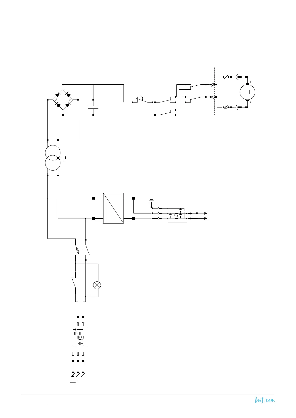
BWT COVERDECK
Print Icon
To Next Page IconTo Next Page
To Next Page IconTo Next Page
To Previous Page IconTo Previous Page
To Previous Page IconTo Previous Page
Loading...
(03-B) (03-B)
F1
Interrupteur
Moteur
KA2 KA2
KA1 KA1
Disjoncteur thermique
10A
Filtre SCHAFFNER
FN2020-1-06
Alimentation
24V 15W
Filtre SCHAFFNER
FN2020-1-06
Transfo torique
24V 300VA
Condensateur
35VDC 22000µF
Pont de diode
P
N
Interrupteur à bascule avec témoin
lumineux pour découpe 11*30
Fusible 4A
sur porte fusible
unipolaire + neutre
KA1
Ouverture si moteur à gauche
Fermeture si moteur à droite
KA2
Ouverture si moteur à droite
Fermeture si moteur à gauche
Limite fourniture
1
N
2
2
1
1
2
9(11)
1(12)
5(14)
(12)41
(4)42
(8)44
9(11)
5(14)
1(12)
(12)41
(8)44 (4)42
1
2
1
3
2
4
1
2
1
2
3
4
M
~
=
Power wiring diagram
2019/01 - Indice de révision : N - Code : 34201 PROTECTION & SÉCURITÉ
42/60

Related product manuals