EasyManua.ls Logo

Cadel nice - ANOMALY AND PROBLEM SOLVING; Technician Pre-Intervention Checks; Common Alarm Notifications

Cadel nice
Print Icon
To Next Page IconTo Next Page
To Next Page IconTo Next Page
To Previous Page IconTo Previous Page
To Previous Page IconTo Previous Page
Loading...
Pag. 28 MIRIAM-NICE-DIANA-PRETTY-MARY
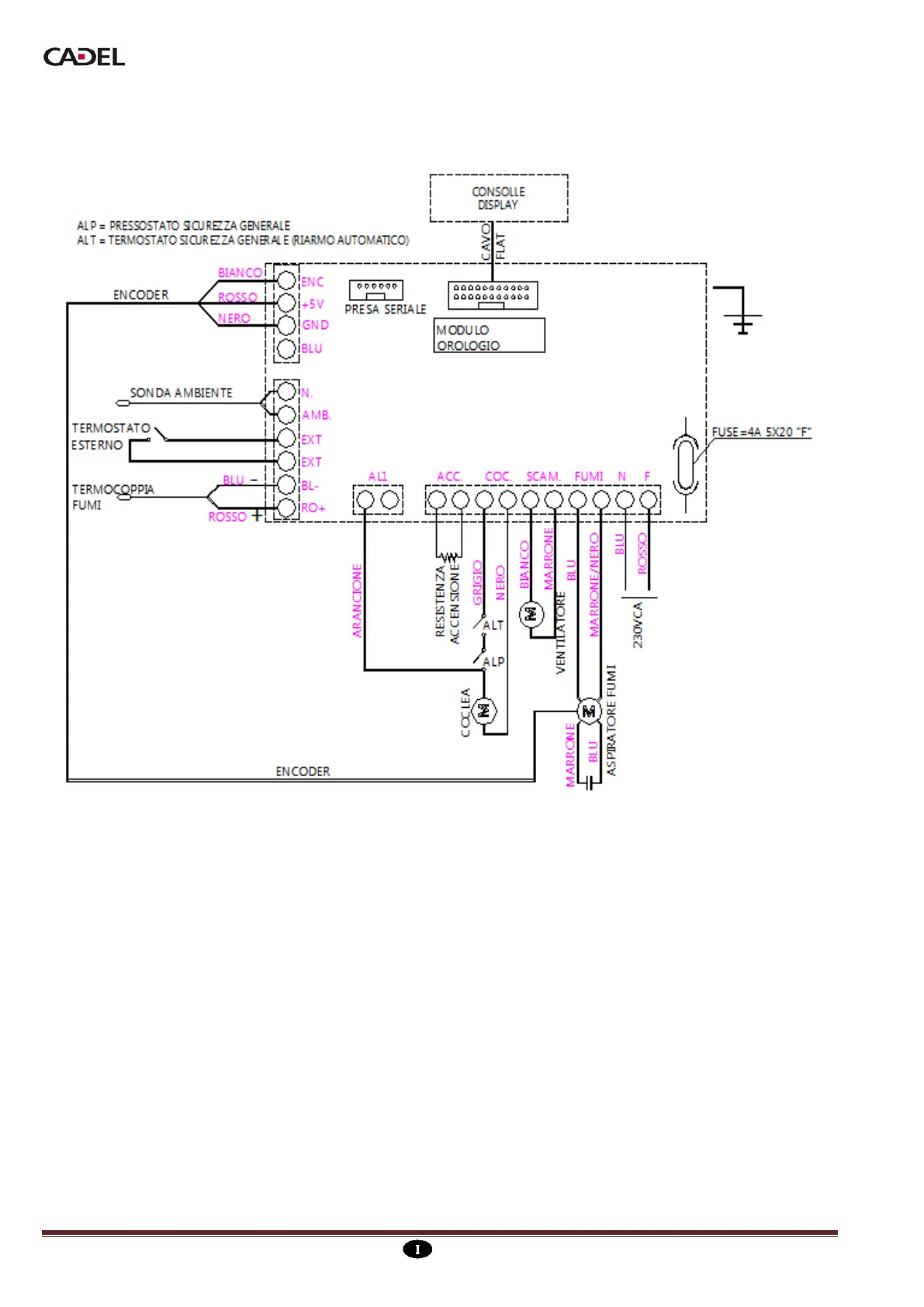
9. DATI TECNICI
9.1. SCHEMA ELETTRICO
Figura 15
9.2. INFORMAZIONI PER LE RIPARAZIONI
Diamo alcune indicazioni per il tecnico da adoperarsi per accedere alle parti meccaniche della stufa.
Procedere come segue (vedi Figura 16 a pag.29):
Svitare il coperchio. Sganciare i fianchi laterali destro e sinistro e sfilarli dalla loro sede.
Dopo queste operazioni si può accedere ai seguenti componenti: motoriduttore (3), candeletta
accensione (5), ventilatore ambiente (8), aspiratore fumi (7), sonda ambiente (10), sonda fumi (9),
termostato (6) , scheda elettrionica (1), pressostato (4).
Per la sostituzione e/o pulizia della coclea di carico, è necessario svitare i tre bulloni del
motoriduttore (3) e sfilarlo, svitare le due viti sotto il motoriduttore della coclea, togliere la
protezione mani interna al serbatoio, poi svitare il bullone interno della coclea, per il rimontaggio
procedere in senso contrario.

Table of Contents

Other manuals for Cadel nice

Related product manuals