EasyManua.ls Logo

Cafection EMBLEM - Page 81

Cafection EMBLEM
82 pages
Print Icon
To Next Page IconTo Next Page
To Next Page IconTo Next Page
To Previous Page IconTo Previous Page
To Previous Page IconTo Previous Page
Loading...
81
www.cafection.com 800-561-6162
DE2112INSA Rev. 0 2022-01
SERVICE & INSTALLATION MANUAL - Emblem
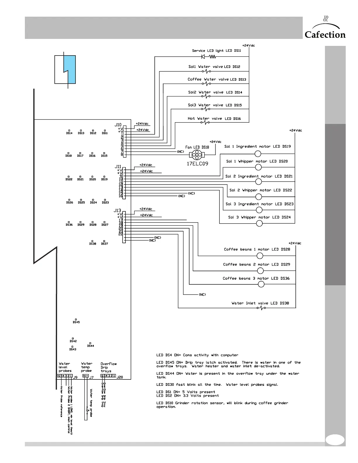
Annex 3
2/2

Table of Contents

Related product manuals