EasyManua.ls Logo

Calorex Pro-Pac 45 - Page 120

Calorex Pro-Pac 45
156 pages
Print Icon
To Next Page IconTo Next Page
To Next Page IconTo Next Page
To Previous Page IconTo Previous Page
To Previous Page IconTo Previous Page
Loading...
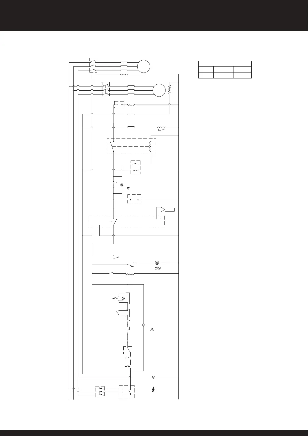
LABEL D598851 ISS 1
LUZ DE FLUJO CORRECTO
TERMINALES DE
ALIMENTACIÓN DEL RELOJ
INTELIGENTE
TEMPORIZADOR
DE RETARDO 1
12 HORAS
LÁMPARA DE SUMINISTRO
CORTACIRCUITOS
DE CONTROL
VENTILADOR
TEMPORIZADOR
DE RETARDO 2
6 MIN
TERMOSTATO
DE DESHIELO
LUZ DE DESHIELO
LUZ DE
FALLA
TERMINALES INTERLOCK
INTERRUPTOR
DE STANDBY
LINEA LIQUIDA CIERRE
DE VÁLVULA
ARRANCADOR O
INTERRUPTOR DE
FLUJO EXTERNO
INTERRUPTOR
DE FLUJO DE AGUA
NEUTRO
COMPRESOR
CALENTADOR(ES)
INTERRUPTOR DEL
CIRCUITO DE VENTILDOR
5
3
1
6 (N/C)
4 (N/C)
2 (N/C)
5
3
1
6 (N/C)
4 (N/C)
2 (N/C)
(N/C)
(COM)
C
L
(N/O)
H
(SE MUEVE A
'H' CUANDO
CAE LA
TEMPERATURA)
6 (N/C)
4 (N/C)
2 (N/C)
5
3
1
12 (N/C)
L1
L2
L3
11 (COM)
14 (N/O)
RELÉ DE
ROTACIÓN DE FASE
6 (N/O)
4 (N/O)
2 (N/O)
5
3
1
6 (N/O)
4 (N/O)
2 (N/O)
5
3
1
(COM)
(N/O)
(N/O)(COM)
(N/O)
(COM)
(N/C)
5
(N/C)
(N/C)
H (N/O)
(N/O) L
H (N/C)
A2
A2
A1
A1
2221
(N/C)
(N/C)
TK
TK
95
96
L3 L2
L1
INTERRUPTOR DE BAJA PRESIÓN
(SE MUEVE A “H”
CUANDO CAE LA PRESIÓN)
95
96
C (COM)
C (COM)
(N/C) L
1 (L)
10 11
6
SENSOR
4
FUERTA 1
STAT DIGITAL DE UNA ETAPA
HACER CAER DE 6 A 4 LA
TERMERATURA
9
8
2 (N)
PROTECCIÓN DEL
MOTOR DEL COMPRESOR
A1
A2
RELÉ (R2)
14
11
CONTACTOR
(U1)
(V1)
(W1)
(N/C)
CONTACTOR AUXILIAR DEL COMPRESOR
CONTACTOR
A1
A2
15 18
(N/O)
A
B
RELÉ (R1)
1 (COM)
[STANDBY] (N/C) 3
[MARCHA] (N/O) 2
(N/O) 4
1 (N/C)
(COM) 7
6463
(N/O)
CONTACTOR AUXILIAR DEL COMPRESOR
CORTE TÉRMICO DEL
VENTILADOR
CONTROL
2.5A
AJUSTES DEL TABLERO DE CONTROL
COMPRESOR VENTILADOR
1.1A
23.8A
ATENUADOR DE
ARRANQUE
SOBRECARGA TERMICO
Y LUZ DE FALL
SI SUMINISTRADO
(SE MUEVE A “L”
CUANDO AUMENTA LA PRESIÓN)
INTERRUPTOR DE ALTA PRESIÓN
N/O = NORMALMENTE ABIERTO
N/C = NORMALMENTE CERRADO
INTERRUPTOR DEL
CIRCUITO DEL COMPRESOR
BLOQUE AUX DEL CONTROL
MCB DEL VENTILADOR
ALARMA DE SALTO =
CONTACTO DE APERTURA
BLOQUE AUX DEL CONTROL
MCB DEL COMPRESOR
ALARMA DE SALTO =
CONTACTO DE APERTURA
PROPAC 45BM TRIFÁSICO (400V ~ 3 N 50 Hz)
16
SD566252 ISSUE 51
PR0-PAC SYSTEM MANUAL DE INSTALACIÓN

Table of Contents

Other manuals for Calorex Pro-Pac 45

Related product manuals