EasyManua.ls Logo

Calorex Pro-Pac 45 - Page 125

Calorex Pro-Pac 45
156 pages
Print Icon
To Next Page IconTo Next Page
To Next Page IconTo Next Page
To Previous Page IconTo Previous Page
To Previous Page IconTo Previous Page
Loading...
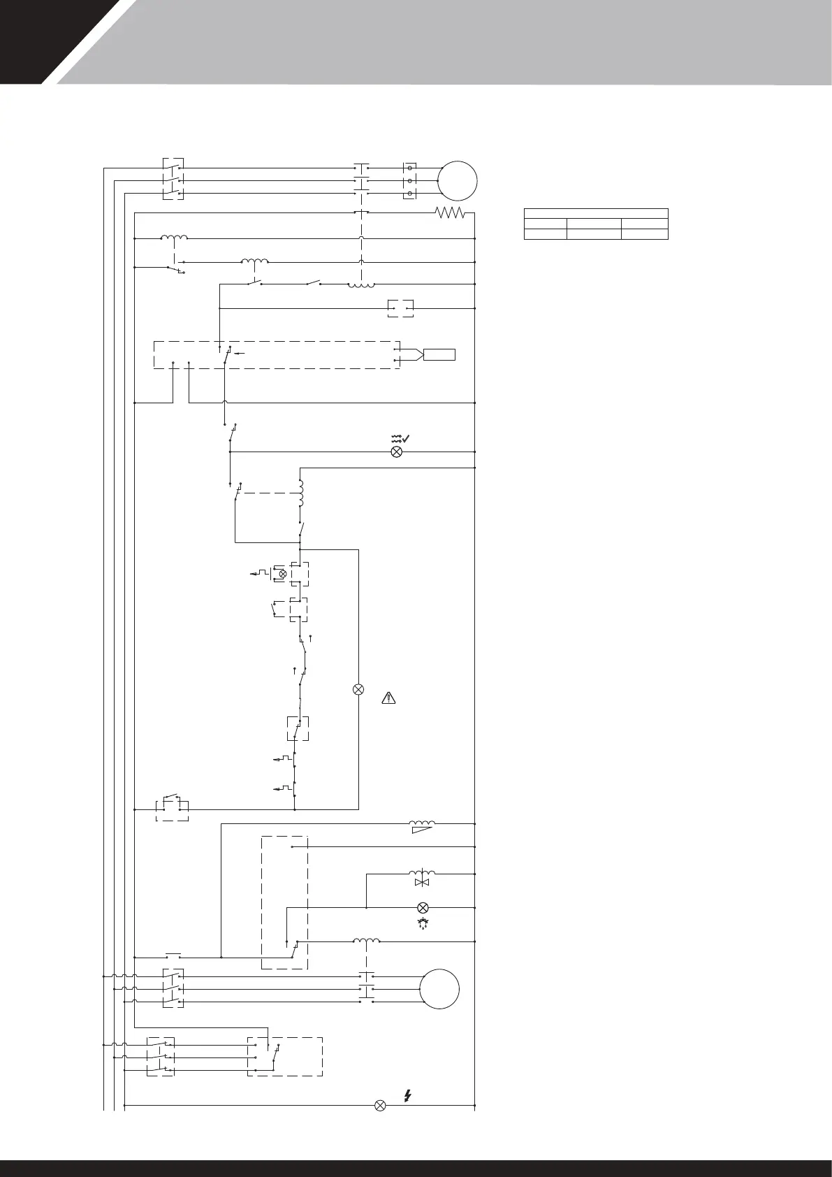
RELÉ DE
ROTACIÓN DE FASE
TERMINALES
INTERLOCK
LUZ DE
FALLA
NEUTRO
INTERRUPTOR
DE FLUJO DE AGUA
RELÉ (R2)
CALENTADOR
CONTACTOR
DE COMPRESOR
TEMPORIZADOR
DE RETARDO 1
12 HORAS
TERMOSTATO DE DESHIELO
VENTILADOR
CONTACTOR
DEL VENTILADOR
CONTROL
2.5A
VENTILADOR
0.8A
COMPRESOR
22.9A
TERMINALES DE
ALIMENTACIÓN RELOJ
INTELIGENTE
HACER CAER DE 6 A 4 LA TEMPERATURA
5
3
1
6 (N/C)
4 (N/C)
2 (N/C)
6 (N/C)
4 (N/C)
2 (N/C)
5
3
1
11 (COM)
6 (N/O)
VÁLVULA DE INVERSIÓN
VÁLVULA APAGADA
LINEA LIQUIDA
(N/O) L
(N/C) L
(N/O)
RELÉ (R1)
LUZ DE FLUJO CORRECTO
(COM) 1
3 (N/C) [STANDBY]
[MARCHA] (N/O) 2
INTERRUPTOR DE
STANDBY
(COM) 6
4 (N/O)
2 (N)
1 (L)
FUERTA 1
SENSOR
8
9
5
3
1
6 (N/O)
4 (N/O)
2 (N/O)
COMPRESOR
14 11 (N/O)
21 22 (N/C)
A1
A2
(W1)
(V1)
(U1)
(N/O)
5 (N/C)
(N/O) 4
1 (N/C)
(COM) 7
(COM) 15
18 (N/O)
16 (N/C)
A1
A2
A1 A2
TEMPORIZADOR
DE RETARDO 2
LUZ DE DESHIELO
HACER CAER DE 1 A 3
LA TEMPERATURA
95
96 (N/C)
95
96 (N/C)
TERMINALES INTERLOCK
12 13
(NC)
TB
TB
5
3
1
6 (N/C)
4 (N/C)
2 (N/C)
L3 L2
L1
L3
L2
L1
14 (N/O)
63 64 (N/O)
12 (N/C)
(COM) 1
5
3
1
4 (N/O)
2 (N/O)
4 (N/C)
3 (N/O)
2 (N)
(N/C)
C (COM)
H (N/C)
C (COM)
H (N/O)
A1 A2
A
B
11
10
ATENUADOR
DE ARRANQUE
SI SUMINISTRADO
LÁMPARA DE SUMINISTRO
INTERRUPTOR DEL CIRCUITO
DE CONTROL
ARRANCADOR O
INTERRUPTOR DE
FLUJO EXTERNO
ATENUADOR DE
ARRANQUE
SOBRECARGA TERMICO
Y LUZ DE FALL
SI SUMINISTRADO
BLOQUE AUX DEL CONTROL
MCB DEL VENTILADOR
CORTE TÉRMICO DEL VENTILADOR
INTERRUPTOR DEL CIRCUITO
DE VENTILADOR
INTERRUPTOR DEL CIRCUITO
DEL COMPRESOR
INTERRUPTOR DE
BAJA PRESIÓN
CONTACTOR AUXILIAR DEL COMPRESOR
(SE MUEVE A "L"
CUANDO AUMENTA LA PRESIÓN)
(SE MUEVE A “H”
CUANDO CAE LA PRESIÓN)
PROTECCIÓN DEL MOTOR
DEL COMPRESOR
AJUSTES DEL TABLERO DE CONTROL
N/O = NORMALMENTE ABIERTO
N/C = NORMALMENTE CERRADO
INTERRUPTOR DE
ALTA PRESIÓN
STAT DIGITAL DE UNA ETAPA
CONTACTOR AUXILIAR
DEL COMPRESOR
ALARMA DE SALTO =
CONTACTO DE APERTURA
BLOQUE AUX DEL CONTROL
MCB DEL COMPRESOR
ALARMA DE SALTO =
CONTACTO DE APERTURA
PROPAC30 BMY TRIFÁSICO (400V ~ 3 N 50Hz)
21
SD566252 ISSUE 51

Table of Contents

Other manuals for Calorex Pro-Pac 45

Related product manuals