EasyManua.ls Logo

Calorex Pro-Pac 45 - Page 126

Calorex Pro-Pac 45
156 pages
Print Icon
To Next Page IconTo Next Page
To Next Page IconTo Next Page
To Previous Page IconTo Previous Page
To Previous Page IconTo Previous Page
Loading...
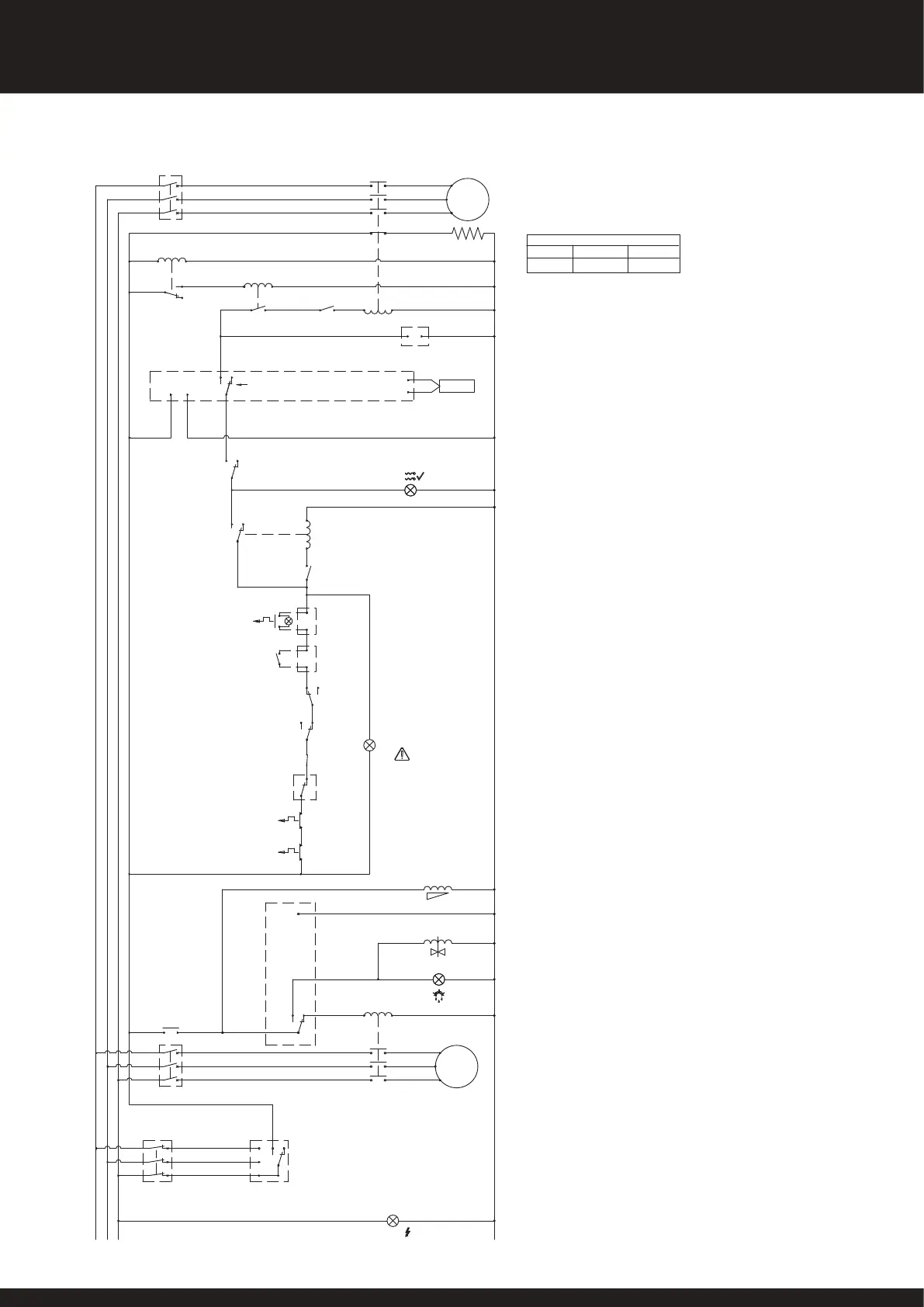
L3 L2
L1
RELÉ DE
ROTACIÓN FASE
TERMINALES INTERLOCK
LUZ DE
FALLA
INTERRUPTOR
STANDBY
TERMINALES DE
ALIMENTACIÓN RELOJ
INTELIGENTE
NEUTRO
RELÉ (R1)
RELÉ (R2)
CALENTADOR
TEMPORIZADOR
DE RETARDO 1
12 HORAS
TEMPORIZADOR DE
RETARDO 2
6 MINS
LUZ DE DESHIELO
V
ÁLVULA DE INVERSION
VENTILADOR
CONTACTOR
5
3
1
6 (N/C)
4 (N/C)
2 (N/C)
(NC)
TK
TK
5
3
1
6 (N/C)
4 (N/C)
2 (N/C)
6 (N/C)
4 (N/C)
2 (N/C)
5
3
1
L3
L2
L1
14 (N/O)
63 64 (N/O)
12 (N/C)
11 (COM)
(COM) 1
5
3
1
6 (N/O)
4 (N/O)
2 (N/O)
4 (N/C)
3 (N/O)
2 (N)
LIQUIDO LINEA VÁLVULA APAGADA
95
96 (N/C)
95
96 (N/C)
(N/C)
C (COM)
H (N/C)(N/O) L
C (COM)
H (N/O)
(N/C) L
(N/O)
INTERRUPTOR FLUJO
DE AGUA
A1 A2
A
B
LUZ DE FLUJO CORRECTO
(COM) 1
3 (N/C) [STANDBY]
[RUN] (N/O) 2
(COM) 6
4 (N/O)
2 (N)
1 (L)
11
10
SENSOR
89
5
3
1
6 (N/O)
4 (N/O)
2 (N/O)
COMPRESOR
14 11 (N/O)
21 22 (N/C)
A1
A2
(W1)
(V1)
(U1)
(N/O)
5 (N/C)
(N/O) 4 1 (N/C)
(COM) 7
TERMOSTATO
DE DESHIELO
(COM) 15
18 (N/O)
16 (N/C)
A1
A2
A1 A2
HACE DE 1 A 3 EN CAIDA DE
TEMPERATURA
CONTROL
2.5A
VENTILADOR
COMPRESOR
23.8A 1.1A
CONTACTOR
DE COMPRESOR
DEL VENTILADOR
HACER CAER DE 6 A 4 LA TEMPERATURA
CONTACTOR AUXILIAR
DEL COMPRESOR
FUERTA 1
LÁMPARA DE SUMINISTRO
INTERRUPTOR DEL CIRCUITO
DE CONTROL
INTERRUPTOR DEL CIRCUITO
DE VENTILADOR
INTERRUPTOR DEL CIRCUITO
DEL COMPRESOR
AJUSTES DEL TABLERO DE CONTROL
N/O = NORMALMENTE ABIERTO
N/C = NORMALMENTE CERRADO
ARRANCADOR O
INTERRUPTOR DE
FLUJO EXTERNO
ATENUADOR DE
ARRANQUE
SOBRECARGA TERMICO
Y LUZ DE FALL
SI SUMINISTRADO
CONTACTO DE ALARMA DE
MCB DEL VENTILADOR
CONTACTO DE ALARMA DE
MCB DEL COMPRESOR
CORTE TÉRMICO DEL VENTILADOR
INTERRUPTOR DE
BAJA PRESIÓN
(SE MUEVE A "L"
CUANDO AUMENTA LA PRESIÓN)
(SE MUEVE A “H”
CUANDO CAE LA PRESIÓN)
PROTECCIÓN DEL MOTOR
DEL COMPRESOR
INTERRUPTOR DE
ALTA PRESIÓN
STAT DIGITAL DE UNA ETAPA
PROPAC 45 BMY TRIFÁSICO (400V ~ 3 N 50Hz)
22
SD566252 ISSUE 51
PR0-PAC SYSTEM MANUAL DE INSTALACIÓN

Table of Contents

Other manuals for Calorex Pro-Pac 45

Related product manuals