EasyManua.ls Logo

Calorex Pro-Pac 45 - Page 127

Calorex Pro-Pac 45
156 pages
Print Icon
To Next Page IconTo Next Page
To Next Page IconTo Next Page
To Previous Page IconTo Previous Page
To Previous Page IconTo Previous Page
Loading...
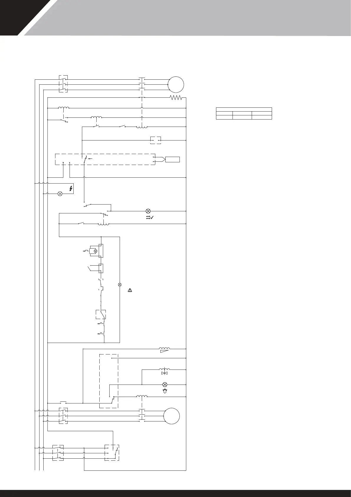
AJUSTES DEL TABLERO DE CONTROL
CONTROL
COMPRESOR
VENTILADOR
2.5A 3.3A46.8A
LUZ DE
DESHIELO
LÁMPARA DE
SUMINISTRO
CORTACIRCUITOS
DE CONTROL
RELÉ DE
ROTACIÓN DE FASE
TERMINALES INTERLOCK
ATENUADOR DE ARRANQUE
SUBRECARGA Y LUZ DE
FALL SI SUMINISTRADO
LUZ DE
FALLA
CALENTADOR
VALVULA DE
INVERSION
VENTILADOR
BLOQUE AUX. DEL CONTROL
MCB DEL VENTILADOR
ALARMA DE SALTO=
CONTACTO DE APERTURA
L3 L2 L1
L3
L2
L1
14 (N/O)
13 14 (N/O)
CONTACTOR AUXILIAR
DEL COMPRESOR
12 (N/C)
11 (COM)
(COM) 1
CONTACTOR
DE VENTILADOR
5
3
1
6 (N/O)
4 (N/O)
2 (N/O)
4 (N/C)
3 (N/O)
2 (N)
VALVULA APAGADA
LINEA LIQUIDA
A1 A2
(COM) 6
4 (N/O)
2 (N)
1 (L)
11
10
SENSOR
78
5
3
1
6 (N/O)
4 (N/O)
2 (N/O)
COMPRESOR
14 11 (N/O)
21 22 (N/C)
A1
A2
(W1)
(V1)
(U1)
(N/O)
5 (N/C)
TERMOSTATO DE DESHIELO
(COM) 15
18 (N/O)
16 (N/C)
A1 A2
A1 A2
SE MUEVE A 3 CUANDO
CAE LA TEMPERATURA
(N/C)
(N/C)
H (N/O)
(N/O) L H (N/C)
(N/C)
(N/C)
TK
TK
CORTE VENTILADOR
TERMICA
95
96
STARTER O INTERRUPTOR
DE FLUJO EXTERNO
INTERRUPTOR DE
BAJA PRESIÓN
(SE MEUVE A H CUANDO
CAE LA PRESIÓN)
95
96
C (COM)
C (COM)
(N/C) L
PROTECCIÓN DEL MOTOR
DEL COMPRESOR
(N/O)
A B
RELÉ (R1)
1 (COM)
[STANDBY] (N/C) 3
[RUN] (N/O) 2
(N/O) 4
1
(N/C)
(COM)
7
5
3
1
6 (N/C)
4 (N/C)
2 (N/C)
5
3
1
6 (N/C)
4 (N/C)
2 (N/C)
6 (N/C)
4 (N/C)
2 (N/C)
5
3
1
CORTACIRCUITOS
DE VENTILADOR
CONTACTOR DEL
COMPRESOR
TEMPORIZADOR
DE RETARDO 1
12 HORAS
INTERRUPTOR DEL CIRCUITO
DEL COMPRESOR
SALTO/APAGADO =
CONTACTOR APERTURA
RELÉ 2
TERMINALES DE ALIMENTACIÓN
DEL RELOJ INTELIGENTE
FUERA 1
STAT DIGITAL DE UNA ETAPA
HACER CAER DE 6 A 4
LA TEMPERATURA
TEMPORIZADOR
DE RETARDO 2
6 MIN
INTERRUPTOR DE
FLUJO DE AGUA
INTERRUPTOR
STANDBY
LUZ DE FLUJO
CORRECTO
INTERRUPTOR DE
ALTA PRESIÓN
(SE MEUVE A L CUANDO
AUMENTA LA PRESIÓN)
BLOQUE AUX. DEL CONTROL
MCB DEL COMPRESOR
ALARMA DE SALTO=
CONTACTO DE APERTURA
N/O = NORMALMENT ABIERTO
N/C = NORMALMENT CERRADO
PROPAC 45 EMY TRIFÁSICO (220V ~ 3 60Hz)
23
SD566252 ISSUE 51

Table of Contents

Other manuals for Calorex Pro-Pac 45

Related product manuals