EasyManua.ls Logo

Calorex Pro-Pac 45 - Page 128

Calorex Pro-Pac 45
156 pages
Print Icon
To Next Page IconTo Next Page
To Next Page IconTo Next Page
To Previous Page IconTo Previous Page
To Previous Page IconTo Previous Page
Loading...
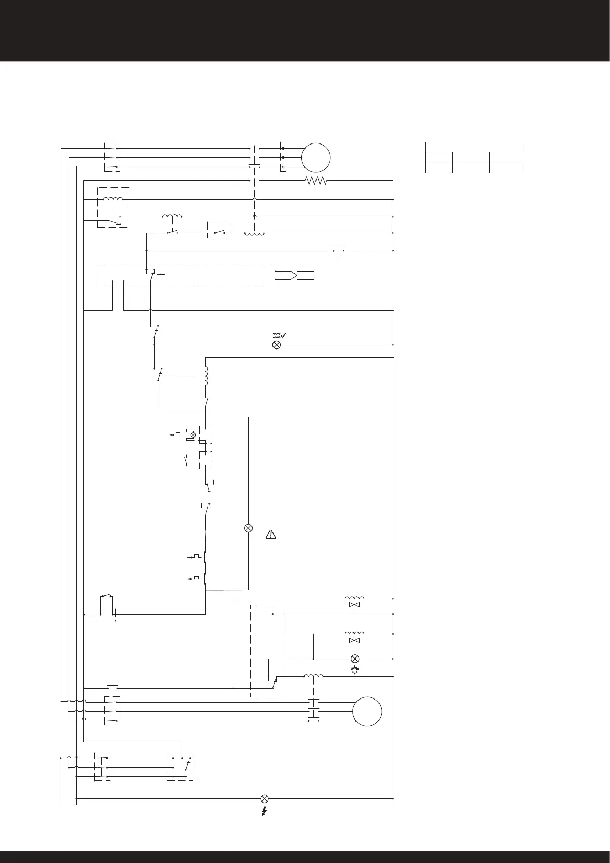
CORTACIRCUITOS
DE VENTILADOR
COMPRESOR
LUZ DE
DESHIELO
RELÉ (R1)
V
ÁLVULA DE
INVERSION
CALENTADOR
CORTACIRCUITOS
DE CONTROL
RELÉ DE ROTACIÓN
DE FASE
TERMINALES INTERLOCK
CONTACTO DE
ALARMA DE MCB
DEL COMPRESSOR
NC
TK
TK
DEL COMPRESOR
CONTACTOR
L3 L2
L1
5
3
1
6 (N/C)
4 (N/C)
2 (N/C)
L3
L2
L1
14 (N/O)
13 14 (N/O)
NEUTRO
12 (N/C)
11 (COM)
(COM) 1
5
3
1
6 (N/C)
4 (N/C)
2 (N/C)
CONTACTOR DEL
VENTILADOR
5
3
1
6 (N/O)
4 (N/O)
2 (N/O)
VENTILADOR
4 (N/C)
3 (N/O)
2
VÁLVULA APAGADA LINEA LIQUIDA
43
44 (N/C)
95
96 (N/C)
C (COM)
H (N/C)(N/O) L
C (COM)
H (N/O)
(N/C) L
LUZ DE
FALLA
STARTER O INTERRUPTOR
DE FLUJO EXTERNO
(N/O)
A1 A2
A
B
LUZ DE FLUJO CORRECTO
(COM) 1
3 (N/C) [STANDBY]
[RUN] (N/O) 2
INTERRUPTOR
STANDBY
(COM) 6
4 (N/O)
2
1
HACE IR DE 4 A 6 EN CAIDA DE TEMPERATURA
11
10
SENSOR
89
5
3
1
6 (N/O)
4 (N/O)
2 (N/O)
14 11 (N/O)
21
22 (N/C)
A1 A2
(W1)
(V1)
(U1)
5
3
1
6 (N/C)
4 (N/C)
2 (N/C)
5 (N/C)
(N/O) 4 1 (N/C)
(COM) 7
TERMOSTATO DE DESHIELO
(COM) 15
18 (N/O)
16 (N/C)
A1 A2
A1
A2
HACE DE 1 A 3 EN
CAIDA DE TEMPERATURA
2.2A
COMPRESOR VENTILADOR
39.3A
CONTROL
2.5A
TERMINALES INTERLOCK
ATENUADOR DE ARRANQUE
SI SUMINISTRADO
AJUSTES DEL TABLERO DE CONTROL
LÁMPARA DE
SUMINISTRO
ATENUADOR DE ARRANQUE
SUBRECARGA Y LUZ DE
FALL SI SUMINISTRADO
BLOQUE AUX. DEL CONTROL
MCB DEL VENTILADOR
ALARMA DE SALTO=
CONTACTO DE APERTURA
CORTE TÉRMICO DEL VENTILADOR
INTERRUPTOR DE
BAJA PRESIÓN
(SE MEUVE A H CUANDO
CAE LA PRESIÓN)
TEMPORIZADOR
DE RETARDO 1
12 HORAS
INTERRUPTOR DEL CIRCUITO
DEL COMPRESOR
SALTO/APAGADO =
CONTACTOR APERTURA
RELÉ 2
TERMINALES DE ALIMENTACIÓN
DEL RELOJ INTELIGENTE
FUERA 1
STAT DIGITAL DE UNA ETAPA
TEMPORIZADOR
DE RETARDO 2
6 MIN
INTERRUPTOR DE
FLUJO DE AGUA
INTERRUPTOR DE
ALTA PRESIÓN
(SE MEUVE A L CUANDO
AUMENTA LA PRESIÓN)
BLOQUE AUX. DEL CONTROL
MCB DEL COMPRESOR
ALARMA DE SALTO=
CONTACTO DE APERTURA
N/O = NORMALMENT ABIERTO
N/C = NORMALMENT CERRADO
PROPAC 70 BMY TRIFÁSICO (400V ~ 3 N 50Hz)
24
SD566252 ISSUE 51
PR0-PAC SYSTEM MANUAL DE INSTALACIÓN

Table of Contents

Other manuals for Calorex Pro-Pac 45

Related product manuals