EasyManua.ls Logo

CAME BPT MTM AUDIO ENTRY KIT - 17 Mtm Video Keypad > Opale Video 2 Way

CAME BPT MTM AUDIO ENTRY KIT
32 pages
Print Icon
To Next Page IconTo Next Page
To Next Page IconTo Next Page
To Previous Page IconTo Previous Page
To Previous Page IconTo Previous Page
Loading...
17
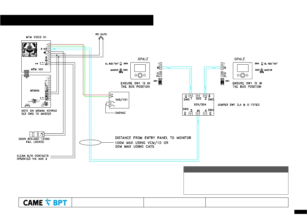
DRAWING SUITABLE FOR SYSTEM X1 KITS
DRAWING SUITABLE
FOR X1 KITS
VRWSKOW2
VRWFKOW2
VRWSKOB2
VRWFKOB2
MTMSKOW2
MTMFKOW2
MTMSKOB2
MTMFKOB2
MTMSVRKOW2
MTMFVRKOW2
MTMSVRKOB2
MTMFVRKOB2
Technical Support: 01442 230 800 Email: technical@bpt.co.uk Drawing No. KIT-2M1Z2CK
MTM VIDEO KEYPAD > OPALE VIDEO 2 WAY

Related product manuals